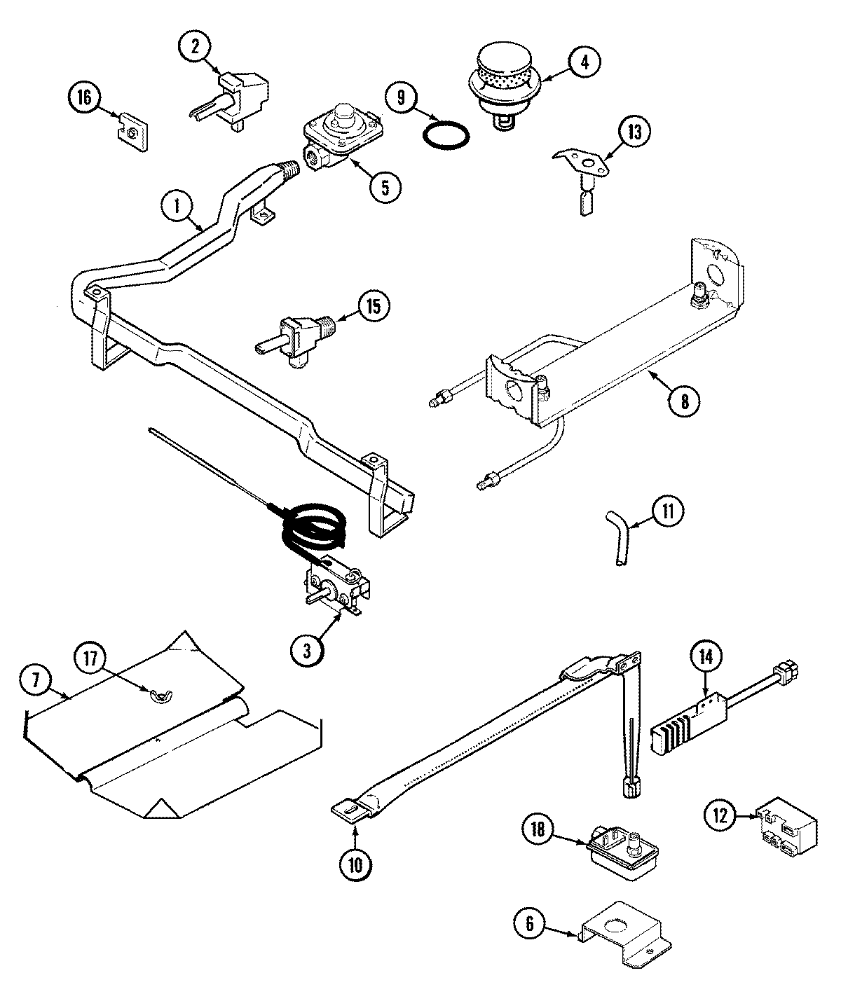
MLR4410BXH 04 – GAS CONTROLSadmin2025-04-26T11:31:25+00:00MLR4410BXH 04 – GAS CONTROLS ProductsPositionProduct1MAY 740037952MAY 740025322WP8273096 Whirlpool Screw3MAY 7101P280-603MAY 7404P096-604WP3412D024-09 Whirlpool Oven Burner Head5MAY 7510P052-606MAY 740023947MAY 740023938MAY 740037978MAY 740037969MAY 7400274510SCREW10MAY 7400243411MAY 74002456128215557 Whirlpool Gas Stove Range Oven Cooktop Spark Module1374004053 Whirlpool Range Cooktop Top Burner Electrode Spark Igniter14SCREW (10-24X5/16-NI)14MAY 7432P075-601512002280 Whirlpool Oven Valve Kit and Screw15MAY 7100323116MAY 7400253317NUT, WING18MAY 7400635218MAY 7400533018MAY 7400258519MAY 7400245719MAY 5125A357-6019MAY 74004231