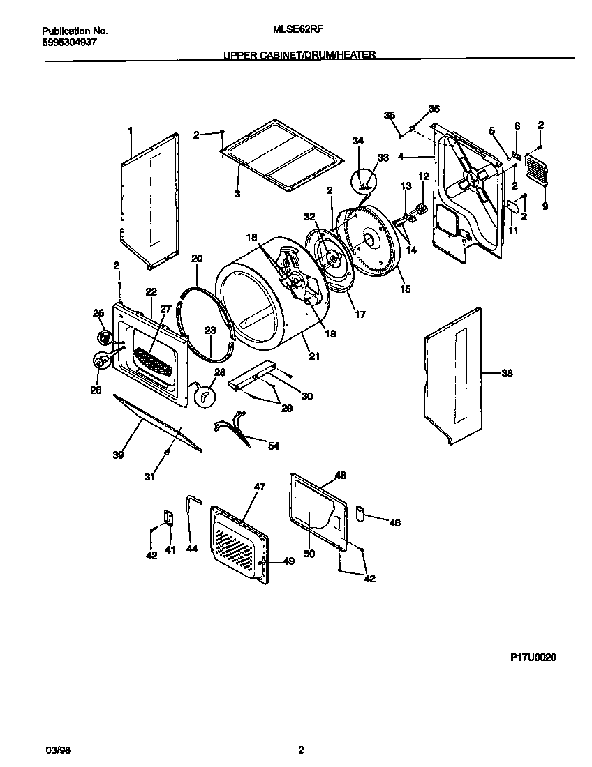
MLSE62RFD0 02 – UPPER CABINET/DRUM/HEATER