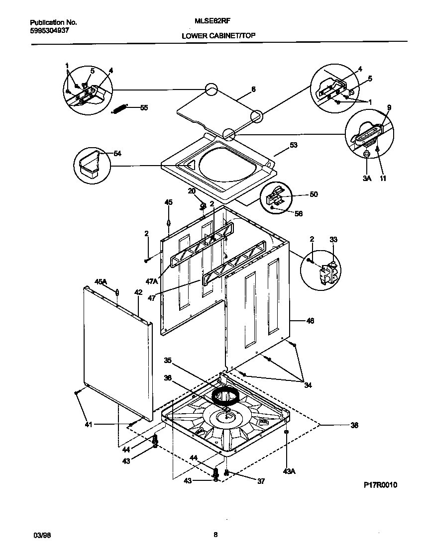
MLSE62RFW0 05 – LOWER CABINET/TOP