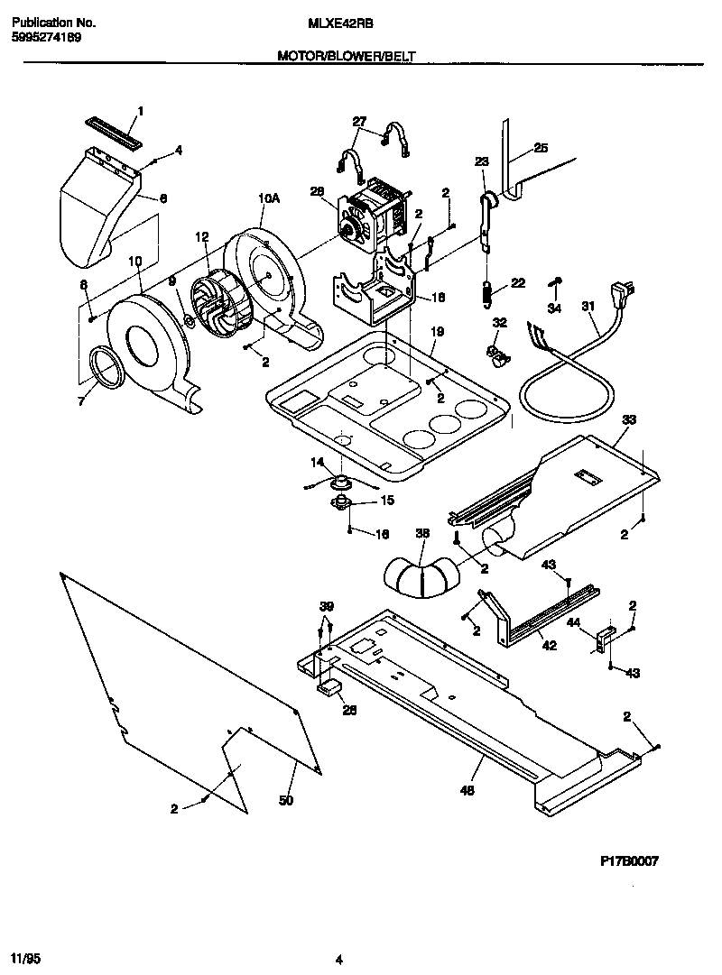
MLXE42RBD2 03 – MOTOR/BLOWER/BELTadmin2025-04-26T09:24:02+00:00MLXE42RBD2 03 – MOTOR/BLOWER/BELT ProductsPositionProduct*15883134154100 Frigidaire Screw 10-32 x 0.375 Co*15884131453000 Frigidaire Bushing1131295200 Frigidaire Seal2131168200 Frigidaire Dryer Screw4131362400 Frigidaire Fastener65304521121 Frigidaire Duct73204490 Frigidaire Seal8SCREW (6)95304488479 Frigidaire Washer Hose Clamp10WCI 5303271179105304485558 Frigidaire Blower Housing Assembly, Front & Rear12BLOWER WHEEL14WCI 5303206879153204307 Frigidaire Dryer Thermostat Control, L13516134178901 Frigidaire Screw18WCI 13136710119WCI 131363901223205241 Frigidaire Idler Spring23IDLER ARM ASSY25BELT-DRYER LC26BLOCK-SUPPORT27WCI 530321283428WCI 53032332588315308819003 Frigidaire 30 Amp 6'3" Dry Cord32WCI 320431733SHIELD-ACCESS34131243700 Frigidaire Screw38ELBOW39131205100 Frigidaire Screw42BRACKET (2)43SCREW (2)443204326 Frigidaire Bracket Assembly48137455500 Frigidaire Lower Pan Assembly50SAFETY COVER