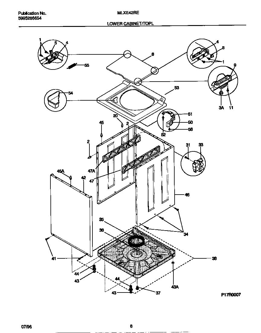
MLXE42REW1 05 – LOWER CABINET/TOPadmin2025-04-26T09:22:42+00:00MLXE42REW1 05 – LOWER CABINET/TOP ProductsPositionProduct*515665303309503 Frigidaire Clip*51564131453000 Frigidaire Bushing*515655303303590 Frigidaire Dryer 4.0" Cable Tie1SCREW2131168200 Frigidaire Dryer Screw3134075500 Frigidaire Bumper-LID45304489657 Frigidaire Bar Hinge Kit55303208743 Frigidaire Grommet65303212872 Frigidaire Lid9131390000 Frigidaire Door Catch-Strike113204368 Frigidaire Screw-Strike203204374 Frigidaire Pin31131202300 Frigidaire Screw33134190200 Frigidaire Washer Water Valve34131205500 Frigidaire Screw35SNUBBER RING36SHIPPING BLOCK37WCI 13110290038WCI 530331121341131302800 Frigidaire Drum Vane Screw42WCI 13110430343WCI 13142210043131422200 Frigidaire P-1 Self Level Leg Pad44134548800 Frigidaire Washer Leg Levelling45131346401 Frigidaire Pin45WCI 13134640046BODY-WHITE (WWX223REW1)47MARRIAGE BRACKET-RH47MARRIAGE BRACKET-LH50WCI 320564651BRACKET-LID LOCK52RIVET (3)53WCI 13145251054WCI 320439455134890500 Frigidaire Spring56131243800 Frigidaire Screw