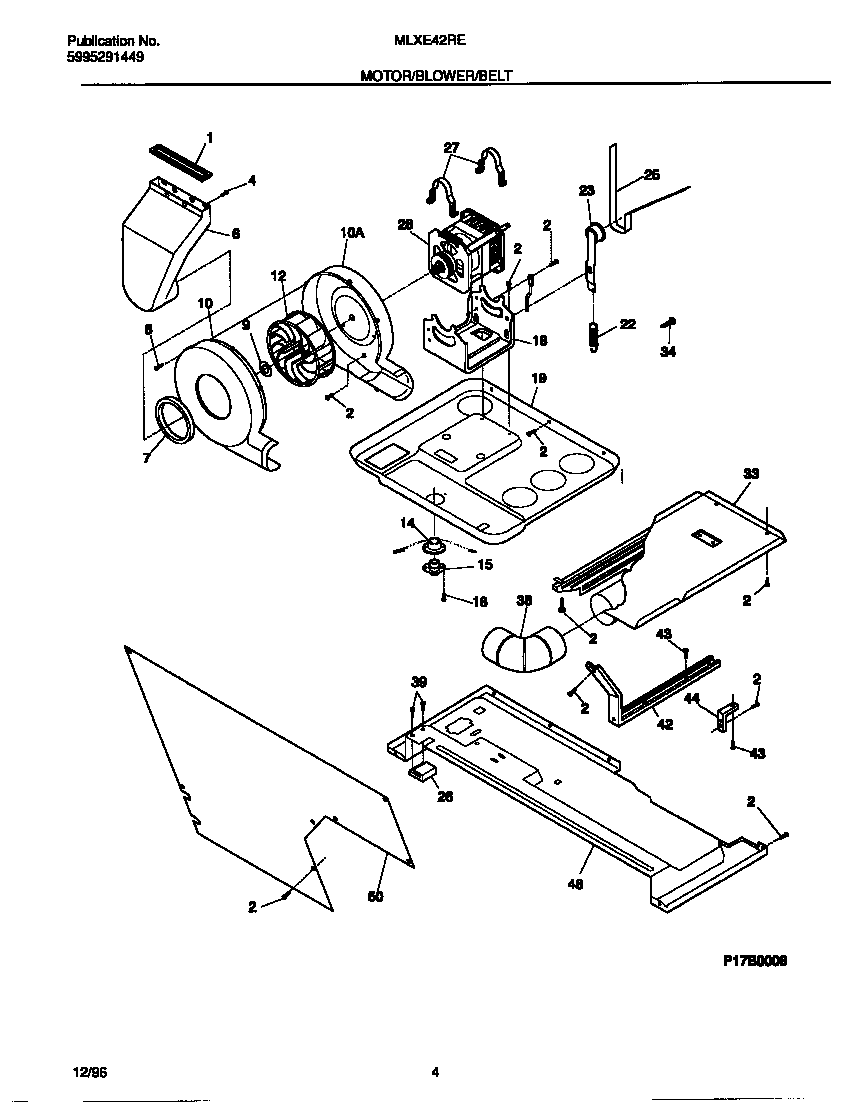
MLXE42REW2 03 – MOTOR/BLOWER/BELTadmin2025-04-26T09:23:34+00:00MLXE42REW2 03 – MOTOR/BLOWER/BELT ProductsPositionProduct*37760131453000 Frigidaire Bushing1131295200 Frigidaire Seal2131168200 Frigidaire Dryer Screw4131362400 Frigidaire Fastener65304521121 Frigidaire Duct73204490 Frigidaire Seal8SCREW (6)95304488479 Frigidaire Washer Hose Clamp105304485558 Frigidaire Blower Housing Assembly, Front & Rear10WCI 13157520012BLOWER WHEEL14WCI 5303206879153204307 Frigidaire Dryer Thermostat Control, L13516134178901 Frigidaire Screw18WCI 13136710119WCI 131363901223205241 Frigidaire Idler Spring23IDLER ARM ASSY25BELT-DRYER LC26BLOCK-SUPPORT27WCI 131419800285303937189 Frigidaire Drive Motor with Blower Housing33SHIELD-ACCESS34131243700 Frigidaire Screw38ELBOW39131205100 Frigidaire Screw42BRACKET (2)43SCREW (2)443204326 Frigidaire Bracket Assembly48137455500 Frigidaire Lower Pan Assembly50SAFETY COVER