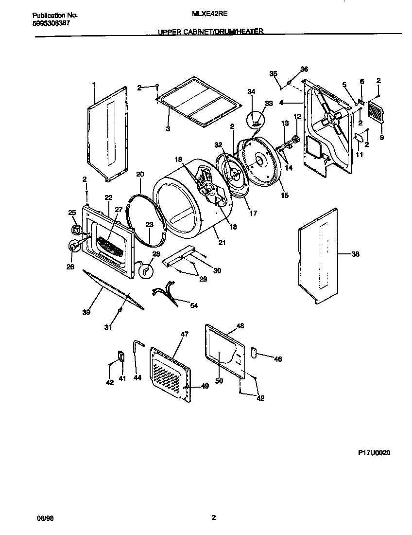
MLXE42REW4 02 – UPPER CABINET/DRUM/HEATERadmin2025-04-26T09:24:58+00:00MLXE42REW4 02 – UPPER CABINET/DRUM/HEATER ProductsPositionProduct1WCI 1310847003131883301 Frigidaire Panel4WCI 13175230255303281019 Frigidaire Ball Assembly65303281020 Frigidaire Ball Clip9PANEL-MOTOR ACCESS11WCI 320425012131825900 Frigidaire Dryer Rear Drum Bearing Support Cup White13131724301 Frigidaire Dryer Drum Bearing Bracket14131205400 Frigidaire Screw15HEATER ASSY W/HSNG173204254 Frigidaire Baffle Assembly18131168200 Frigidaire Dryer Screw205303937139 Frigidaire Dryer Felt Seal and Glide Kit Drum21134138200 Frigidaire Drum Kit22WCI 131636202235303283286 Frigidaire Drum Felt Seal Lower Front25131658800 Frigidaire Dryer Door Catch Repair Kit26SWITCH-DOOR27LINT FILTER28CLIP GUIDE (4)29131382300 Frigidaire Screw-VANE30137552900 Frigidaire Vane31131202300 Frigidaire Screw32131777700 Frigidaire Dryer Bearing Drum33SAFETY THERMSTAT34131243700 Frigidaire Screw35WCI 0801080436134120900 Frigidaire Dryer Limiter Thermal38WCI 13108480039137546910 Frigidaire Panel41134222900 Frigidaire Dryer Door Hinge42134156200 Frigidaire Screw44137551901 Frigidaire Gasket46WCI 13106360047137365110 Frigidaire Panel48WCI 131579203495303207102 Frigidaire Door Strike50134535300 Frigidaire Insulator54WCI 131498900