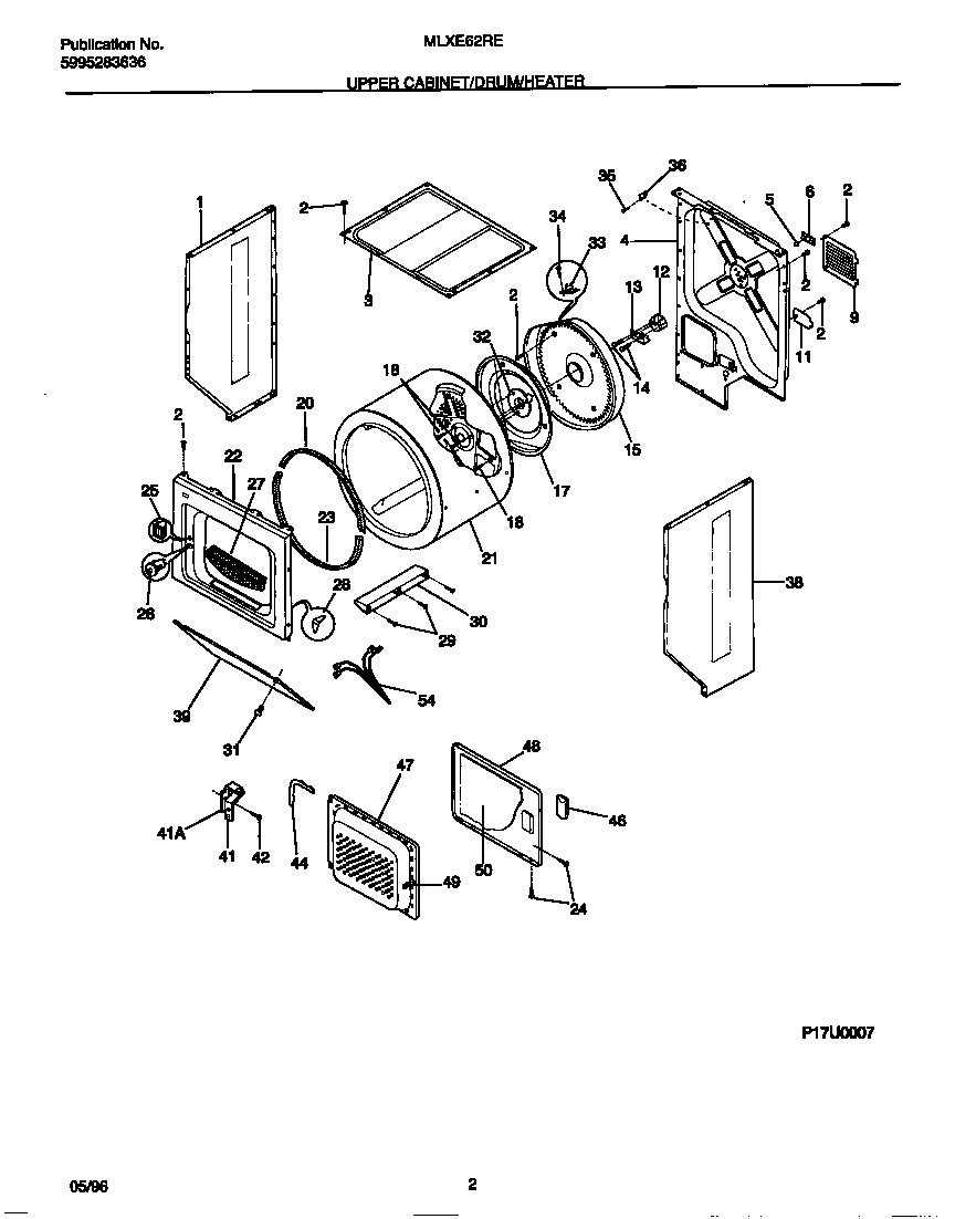
MLXE62RED0 02 – UPPER CABINET/DRUM/HEATERadmin2025-04-26T09:26:46+00:00MLXE62RED0 02 – UPPER CABINET/DRUM/HEATER ProductsPositionProduct*699605303303590 Frigidaire Dryer 4.0" Cable Tie1WCI 1310847013131883301 Frigidaire Panel4WCI 530328328355303281019 Frigidaire Ball Assembly65303281020 Frigidaire Ball Clip9PANEL-MOTOR ACCESS11WCI 320425012131825900 Frigidaire Dryer Rear Drum Bearing Support Cup White13131724301 Frigidaire Dryer Drum Bearing Bracket14131205400 Frigidaire Screw15HEATER ASSY W/HSNG173204254 Frigidaire Baffle Assembly18A131168200 Frigidaire Dryer Screw205303937139 Frigidaire Dryer Felt Seal and Glide Kit Drum21134138400 Frigidaire Drum Kit Assembly O/S3 Xxx22WCI 131506403235303283286 Frigidaire Drum Felt Seal Lower Front24134156200 Frigidaire Screw25131658800 Frigidaire Dryer Door Catch Repair Kit26SWITCH-DOOR27LINT FILTER28CLIP GUIDE (4)29131382300 Frigidaire Screw-VANE30137552900 Frigidaire Vane31131202300 Frigidaire Screw32131777700 Frigidaire Dryer Bearing Drum33SAFETY THERMSTAT34131243700 Frigidaire Screw35WCI 0801080436134120900 Frigidaire Dryer Limiter Thermal38WCI 13108480139WCI 13108440341HINGE-LOWER41HINGE-UPPER42131302800 Frigidaire Drum Vane Screw44137551901 Frigidaire Gasket46HANDLE-DOOR-ALMOND47WCI 530330024648WCI 3204285495303207102 Frigidaire Door Strike50134535300 Frigidaire Insulator54WCI 131498900