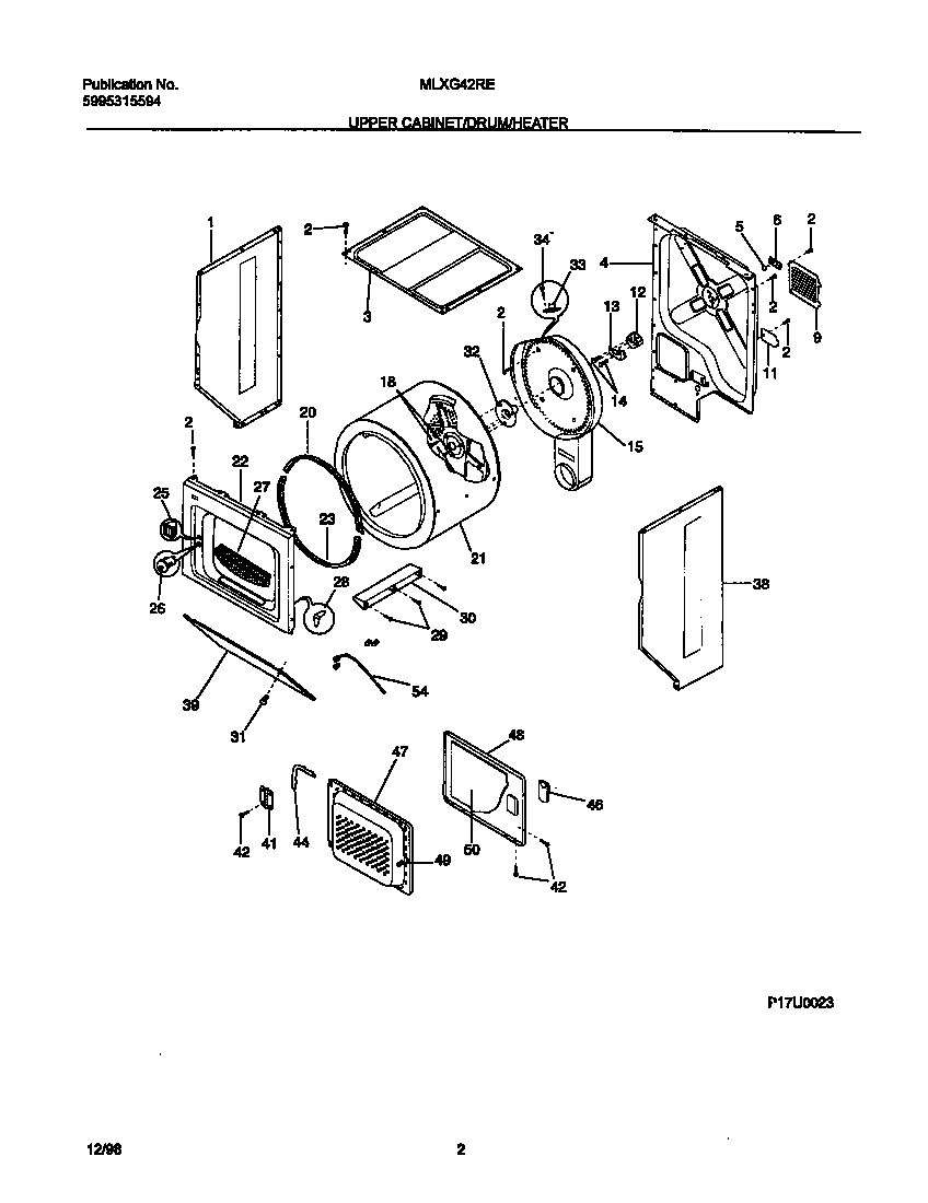
MLXG42RED4 02 – UPPER CABINET/DRUM HEATERadmin2025-04-26T09:23:16+00:00MLXG42RED4 02 – UPPER CABINET/DRUM HEATER ProductsPositionProduct1WCI 1310847013131883301 Frigidaire Panel4WCI 13175230255303281019 Frigidaire Ball Assembly65303281020 Frigidaire Ball Clip9PANEL-MOTOR ACCESS11COVER-TERM BLOCK12131825900 Frigidaire Dryer Rear Drum Bearing Support Cup White13131724301 Frigidaire Dryer Drum Bearing Bracket14131205400 Frigidaire Screw15HEATER HOUSING & DUCT18131168200 Frigidaire Dryer Screw205303937139 Frigidaire Dryer Felt Seal and Glide Kit Drum21WCI 13142786522WCI 131636203235303283286 Frigidaire Drum Felt Seal Lower Front25131658800 Frigidaire Dryer Door Catch Repair Kit26SWITCH-DOOR27LINT FILTER28CLIP GUIDE (4)29131382300 Frigidaire Screw-VANE30137552900 Frigidaire Vane31131202300 Frigidaire Screw32131777700 Frigidaire Dryer Bearing Drum335304406099 Frigidaire Safety Thermostat34131243700 Frigidaire Screw38WCI 13108480139WCI 13108440341134222900 Frigidaire Dryer Door Hinge42134156200 Frigidaire Screw44137551901 Frigidaire Gasket46WCI 13178940147WCI 13157910448WCI 131789304495303207102 Frigidaire Door Strike50134535300 Frigidaire Insulator54WCI 131498900