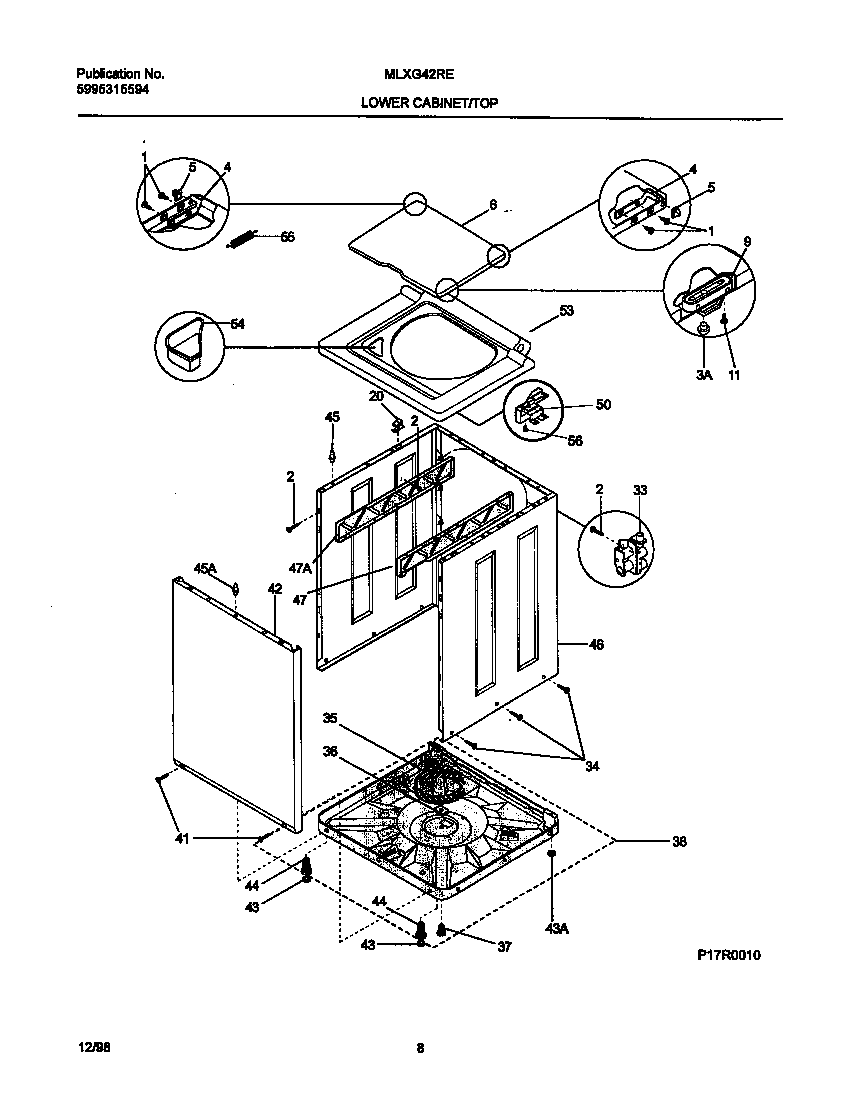
MLXG42REW4 05 – LOWER CABINET/TOPadmin2025-04-26T09:25:55+00:00MLXG42REW4 05 – LOWER CABINET/TOP ProductsPositionProduct*84844131453000 Frigidaire Bushing*848455303309503 Frigidaire Clip1134203900 Frigidaire Scr 6-32X.337 Pph D2131168200 Frigidaire Dryer Screw3134075500 Frigidaire Bumper-LID45304489657 Frigidaire Bar Hinge Kit55303208743 Frigidaire Grommet65303212872 Frigidaire Lid9131390000 Frigidaire Door Catch-Strike113204368 Frigidaire Screw-Strike203204374 Frigidaire Pin33134190200 Frigidaire Washer Water Valve34131205500 Frigidaire Screw35SNUBBER RING36SHIPPING BLOCK37WCI 13165890038WCI 530331121341131302800 Frigidaire Drum Vane Screw42WCI 13110430343WCI 13142210043131422200 Frigidaire P-1 Self Level Leg Pad44134548800 Frigidaire Washer Leg Levelling45131346401 Frigidaire Pin45WCI 13134640046BODY-WHITE (WWX223REW1)47MARRIAGE BRACKET-RH47MARRIAGE BRACKET-LH50WCI 13167560053WCI 13145251054WCI 320439455134890500 Frigidaire Spring56131243800 Frigidaire Screw