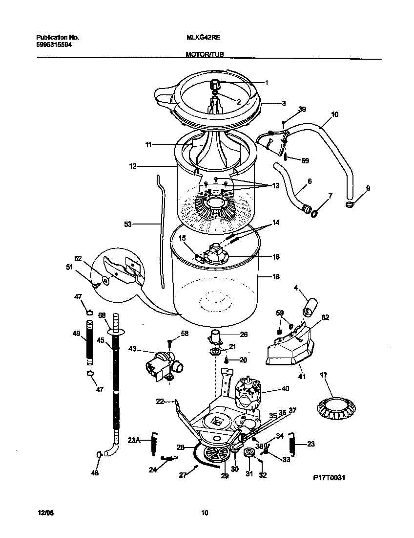
MLXG42REW4 06 – MOTOR/TUB

MLXG42REW4 06 – MOTOR/TUB