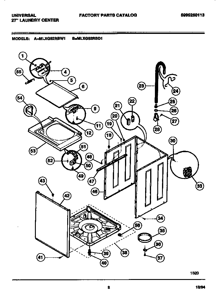
MLXG62RBD1 05 – WASHER – CABINET, TOP PANEL, BASEadmin2025-04-26T09:25:21+00:00MLXG62RBD1 05 – WASHER – CABINET, TOP PANEL, BASE ProductsPositionProduct1SCREW45304489657 Frigidaire Bar Hinge Kit55303208743 Frigidaire Grommet6WCI 53032128739131390000 Frigidaire Door Catch-Strike113204368 Frigidaire Screw-Strike12134075500 Frigidaire Bumper-LID18WCI 131346400203204374 Frigidaire Pin21WCI 530801490322WCI 530316125223WCI 13121020024RETAINER253204375 Frigidaire Check Valve26WCI 13112761627131205100 Frigidaire Screw28WCI 320437630131202300 Frigidaire Screw33134190200 Frigidaire Washer Water Valve34131205500 Frigidaire Screw35SNUBBER RING36SHIPPING BLOCK37WCI 13110290038WCI 530330024739134548800 Frigidaire Washer Leg Levelling40PAD-LEG41131302800 Frigidaire Drum Vane Screw42PANEL - FRONT - ALMD43131346401 Frigidaire Pin46WCI 530393175848131168200 Frigidaire Dryer Screw49131243800 Frigidaire Screw50WCI 320564651BRACKET-LID LOCK52RIVET (3)53WCI 530321287554WCI 320439455134890500 Frigidaire Spring56131422200 Frigidaire P-1 Self Level Leg Pad