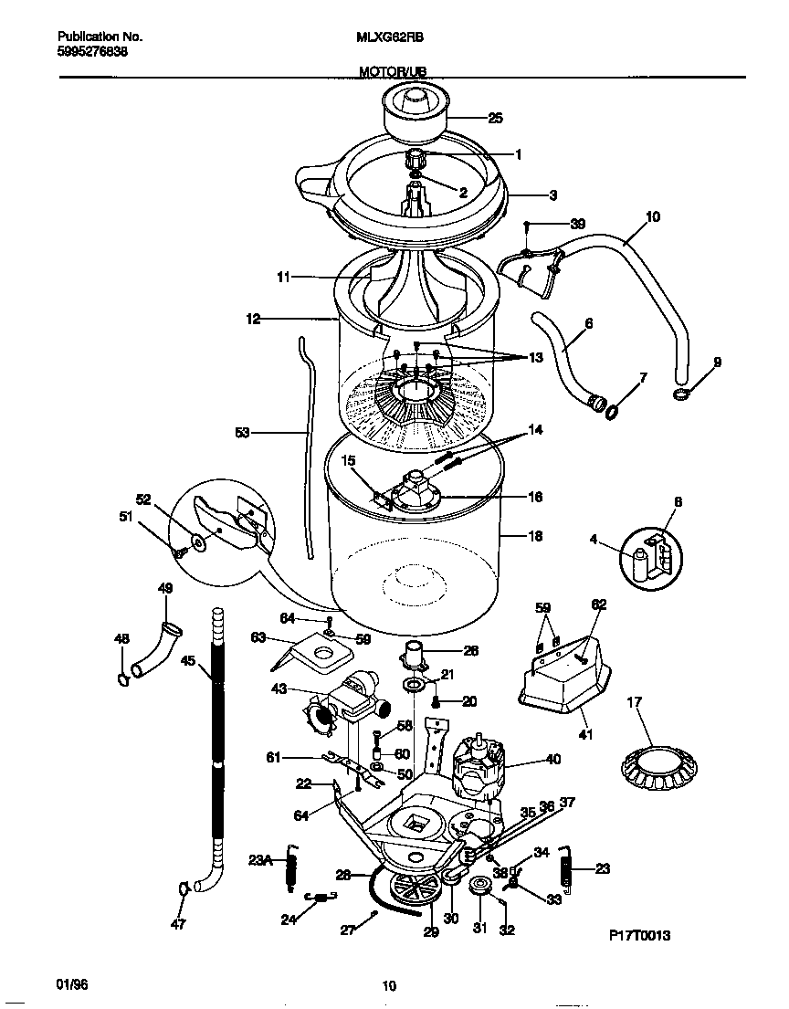
MLXG62RBD3 06 – MOTOR/TUBadmin2025-04-26T09:27:01+00:00MLXG62RBD3 06 – MOTOR/TUB ProductsPositionProduct*83453INSERT-SPRING ADJ13204395 Frigidaire Agitator Cap2WCI 32043963131398303 Frigidaire Tub Ring4WCI 13121230265303912532 Frigidaire Hose Inlet 60"75303161296 Frigidaire Washer-Inlet Hose (1Piece)8WCI 530316125295304488479 Frigidaire Washer Hose Clamp10NOZZLE & HOSE ASSY11WCI 320440112TUB-SPIN, AND TRUNNION13137546400 Frigidaire Screw 5/165-18 X .62514137539500 Frigidaire Washer Trunnion Lock Plate Bolt15137107000 Frigidaire Plate16131545101 Frigidaire Dryer Washer Transmission Trunnion Nut17WCI 13107660018WCI 131444900203205150 Frigidaire Tub Bearing Screw215308002401 Frigidaire Washer Primary22WCI 13137361023134886600 Frigidaire Spring Primary23134885900 Frigidaire Spring24WCI 13137390025DISPENSER263204405 Frigidaire Outer Tub Spin Bearing275303270023 Frigidaire Screw Set28WASHER BELT29WCI 13136180030WCI 320442231WCI 320442332WCI 320442433TORSION SPRING34WCI 3204426353161433 Frigidaire Retainer36WASHER37SPRING WASHER38HEX NUT39131205100 Frigidaire Screw40WCI 13146050041WCI 13147450043WCI 13126840145B131461200 Frigidaire Washer Drain Hose45AWCI 13146250047CLAMP48131306234 Frigidaire Clamp Pump49WCI 13143450050WCI 13126860051WCI 320445952WCI 131315800535304401845 Frigidaire Tube Pressure58WCI 13146490059WCI 530328305260WCI 13126870061WCI 13126850063WCI 131351500645303283072 Frigidaire Shield Screw