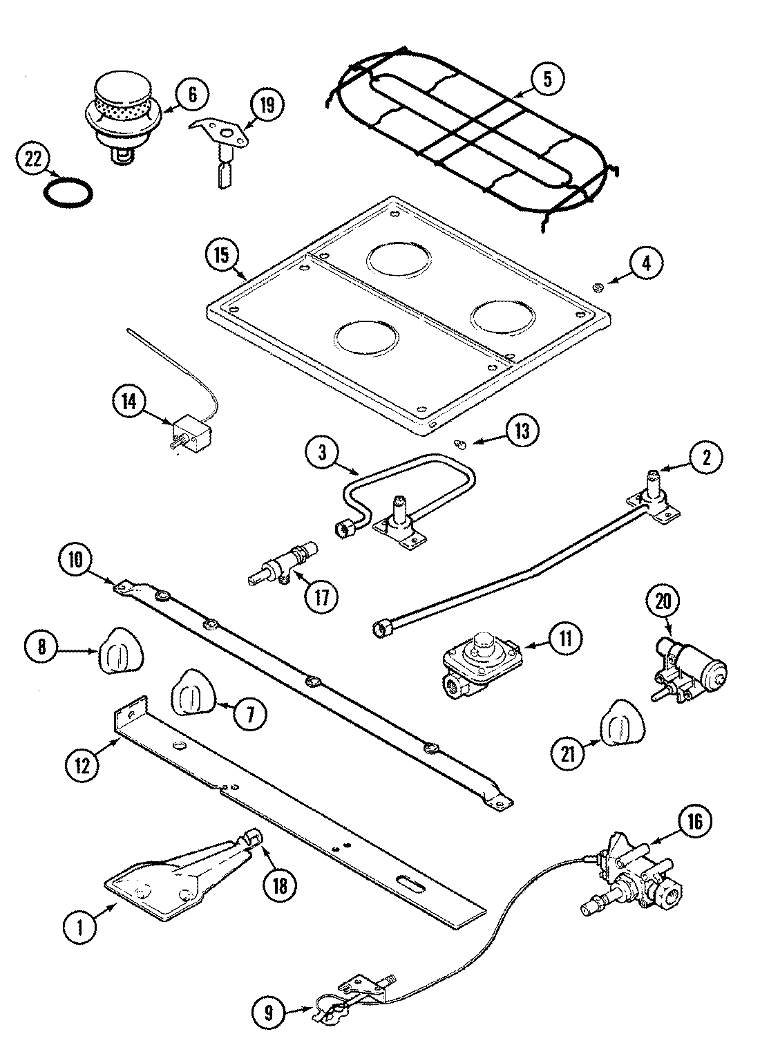
MLY2245ADB 03 – TOP & GAS CONTROLSadmin2025-04-26T11:32:37+00:00MLY2245ADB 03 – TOP & GAS CONTROLS ProductsPositionProduct1MAY 740033432MAY 740039313MAY 740039304MAY Y8007P020605MAY 740039486MAY 740039497MAY 74003941774003942 Whirlpool Oven Burner Knob8MAY 740039439MAY 968-1439MAY 1555261K10MAY 7513P161-6011MAY 7510P043-6011MAY 7507P083-6011MAY 7507P047-6012MAY 7400183413MAY 8003P008-6014MAY 7515P029-6014MAY 7400227914MAY 7400227814MAY 1555280K14MAY 7507P049-6014MAY 155522215MAY 7400392816MAY 7501P056-6016MAY 155527917MAY 7400393317MAY 7400393218MAY 3411F003-3419NOT REQUIRED PART OR SEE NOTE FUSE (NOT REQUIRED)20MAY 7400394620MAY 740039472174003944 Whirlpool Igniter Knob22MAY 7400274523MAY 7400393824MAY 16000327