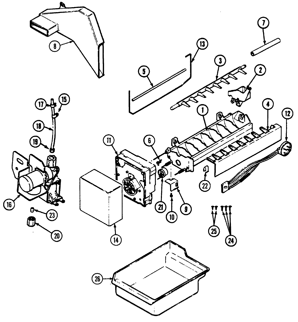
MMC1500CGE 05 – OPTIONAL ICE MAKER KIT (ICE-25)admin2025-04-26T13:05:16+00:00MMC1500CGE 05 – OPTIONAL ICE MAKER KIT (ICE-25) ProductsPositionProduct1WP99003172 Whirlpool Silicone L1D7824706Q Whirlpool Refrigerator Ice Maker Assembly2WP628356 Whirlpool Refrigerator Fill Cup3WP627843 Whirlpool Refrigerator Ejector Arm4WP2182124 Whirlpool Refrigerator Stripper Arm5MAY 67556-26WP2315522 Whirlpool Refrigerator Clip7MAY 67666-88MAY 68412-18MAY 68412-28MAY 68412-39BRACKET, MODULE & HEATER10MAY 95108-111MAY Y0610004812MAY 70076-213MAY 68112-114MAY 68328-215SCREW15W10833902 Whirlpool Refrigerator Clamp15MAY 23197-816MAY 69364-217WPM0114003 Whirlpool Microwave Speed Clip Clamp18MAY 67579-619WP627018 Whirlpool Refrigerator Nut20WP245183 Whirlpool Nut21WP627985 Whirlpool Icemaker Cycling Thermostat21MAY 95093-122MAY 68118-123WP487627 Whirlpool Refrigerator Sleeve24MAY 400021-125MAY 401017-126MAY 68327-1