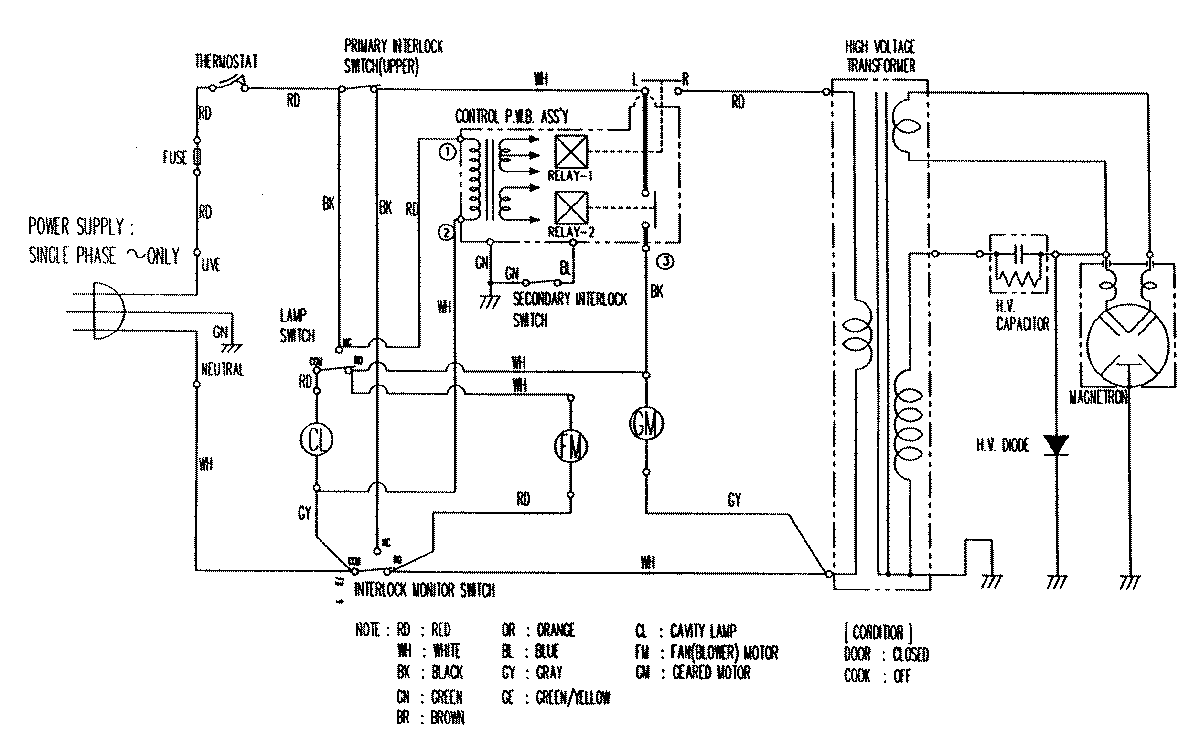
MMC5000BDB 04 – WIRING INFORMATIONadmin2025-04-26T13:07:14+00:00MMC5000BDB 04 – WIRING INFORMATION ProductsPositionProductNIMAY 15002570