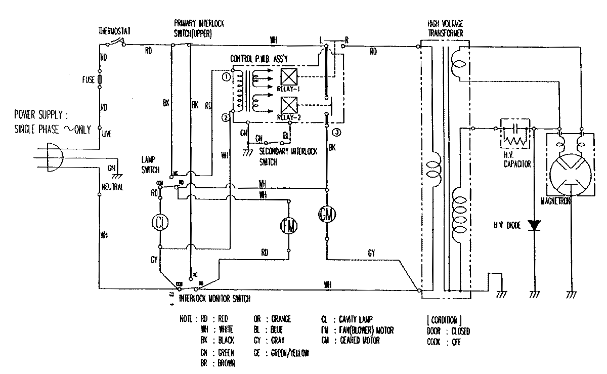
MMC5000BDW 04 – WIRING INFORMATIONadmin2025-04-26T13:08:51+00:00MMC5000BDW 04 – WIRING INFORMATION ProductsPositionProductNIMAY 15002570