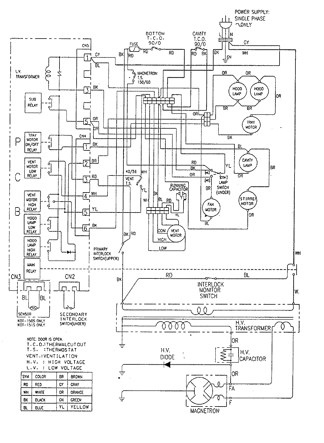
MMV5000BAC 06 – WIRING INFORMATIONadmin2025-04-26T12:17:37+00:00MMV5000BAC 06 – WIRING INFORMATION ProductsPositionProductNIMAY 15002670