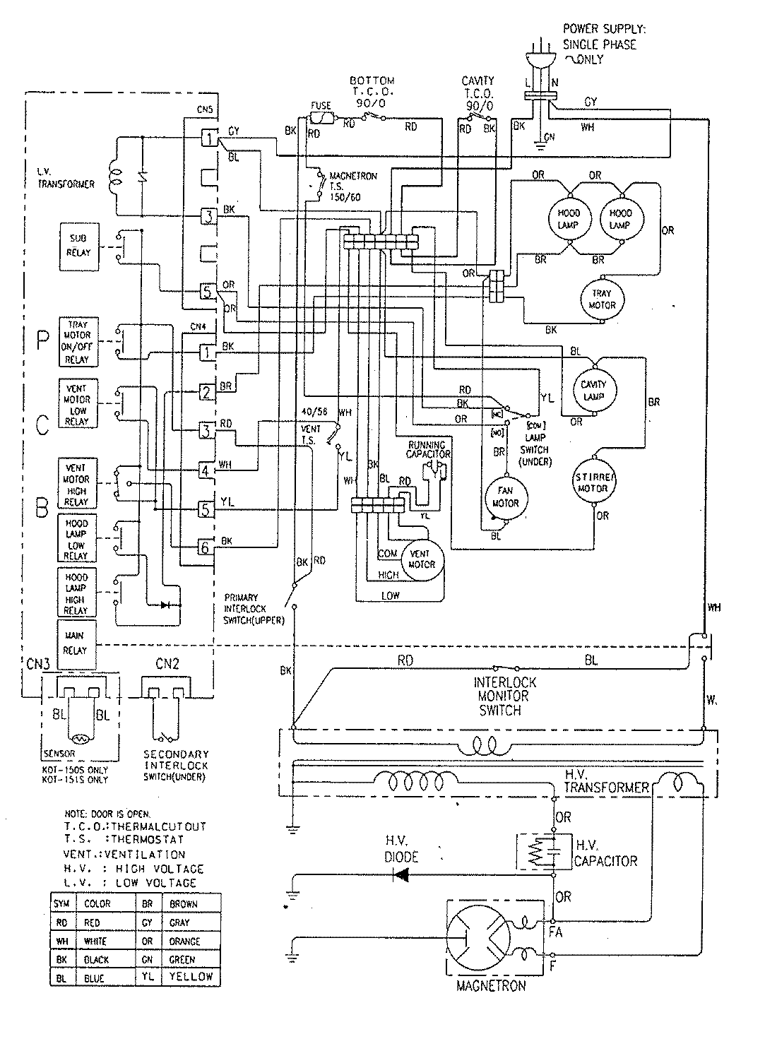
MMV5000BAW 06 – WIRING INFORMATIONadmin2025-04-26T11:32:35+00:00MMV5000BAW 06 – WIRING INFORMATION ProductsPositionProductNIMAY 15002670