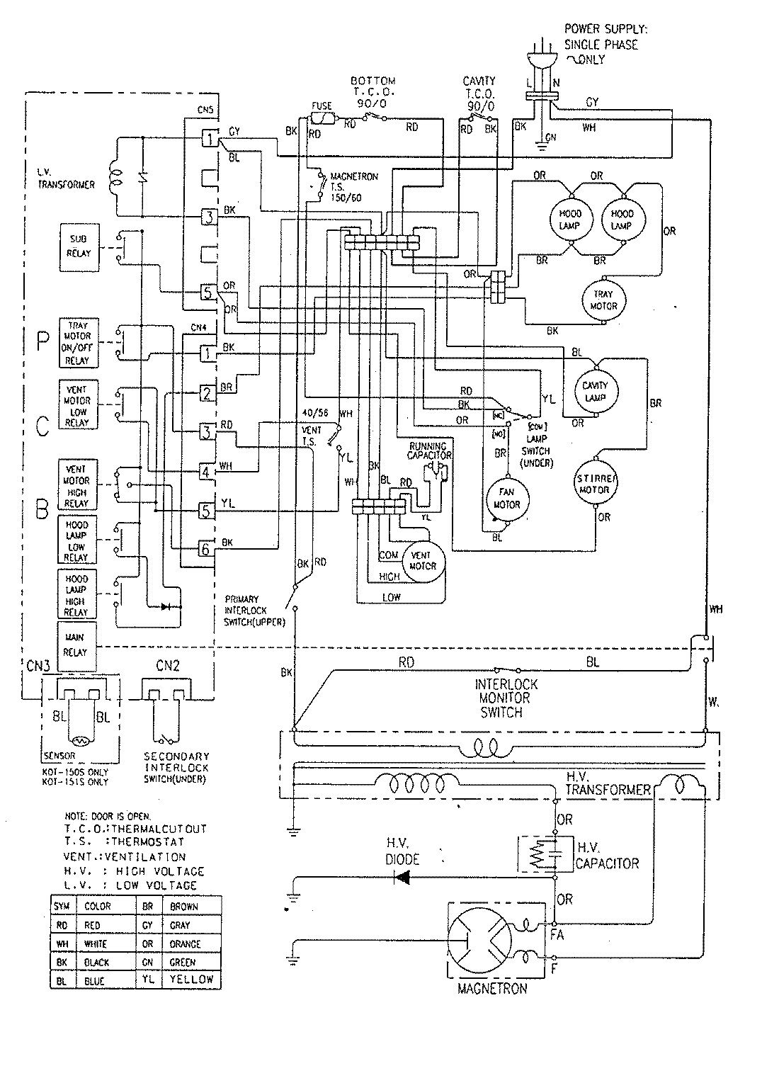
MMV5000BDC 06 – WIRING INFORMATIONadmin2025-04-26T12:19:31+00:00MMV5000BDC 06 – WIRING INFORMATION ProductsPositionProductNIMAY 15002670