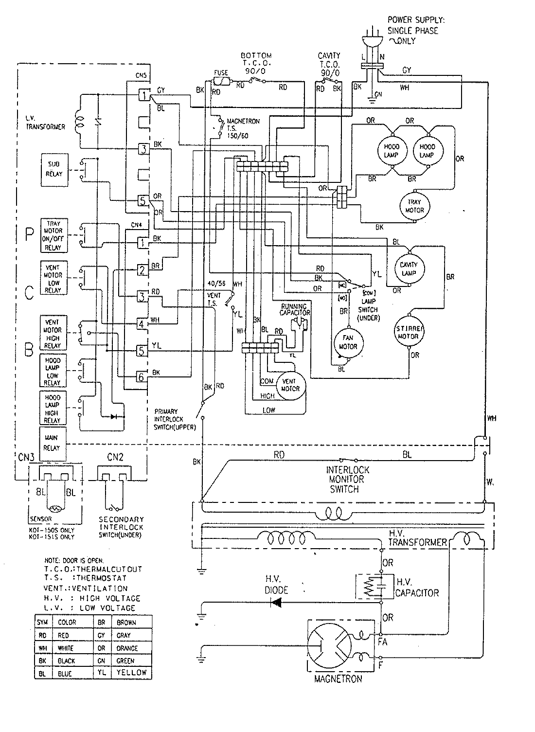
MMV5000BDQ 06 – WIRING INFORMATIONadmin2025-04-26T11:34:59+00:00MMV5000BDQ 06 – WIRING INFORMATION ProductsPositionProductNIMAY 15002670