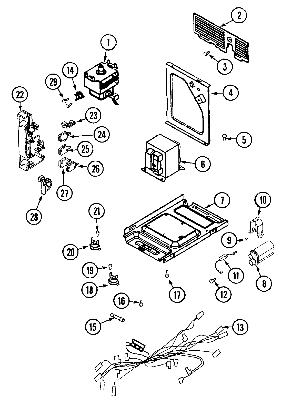
MMV5000BDW 05 – INTERNAL CONTROLSadmin2025-04-26T12:18:13+00:00MMV5000BDW 05 – INTERNAL CONTROLS ProductsPositionProduct1MAY 560013482MAY 560013594MAY 560013586MAY 560013567MAY 560013558MAY 5600135710MAY 5600110611WPR9800486 Whirlpool Microwave High Voltage Diode12MAY 5600121713MAY 5600138914MAY 5600133915WP8183507 Whirlpool Microwave Fuse16WP56001173 Whirlpool Microwave Screw17MAY 5600122218MAY 5600135420MAY 5600108521MAY 5600123022MAY 5600109723MAY 5600109825MAY 5600110026MAY 5600103727WP56001036 Whirlpool Microwave Power Switch28MAY 5600110129MAY 56001303