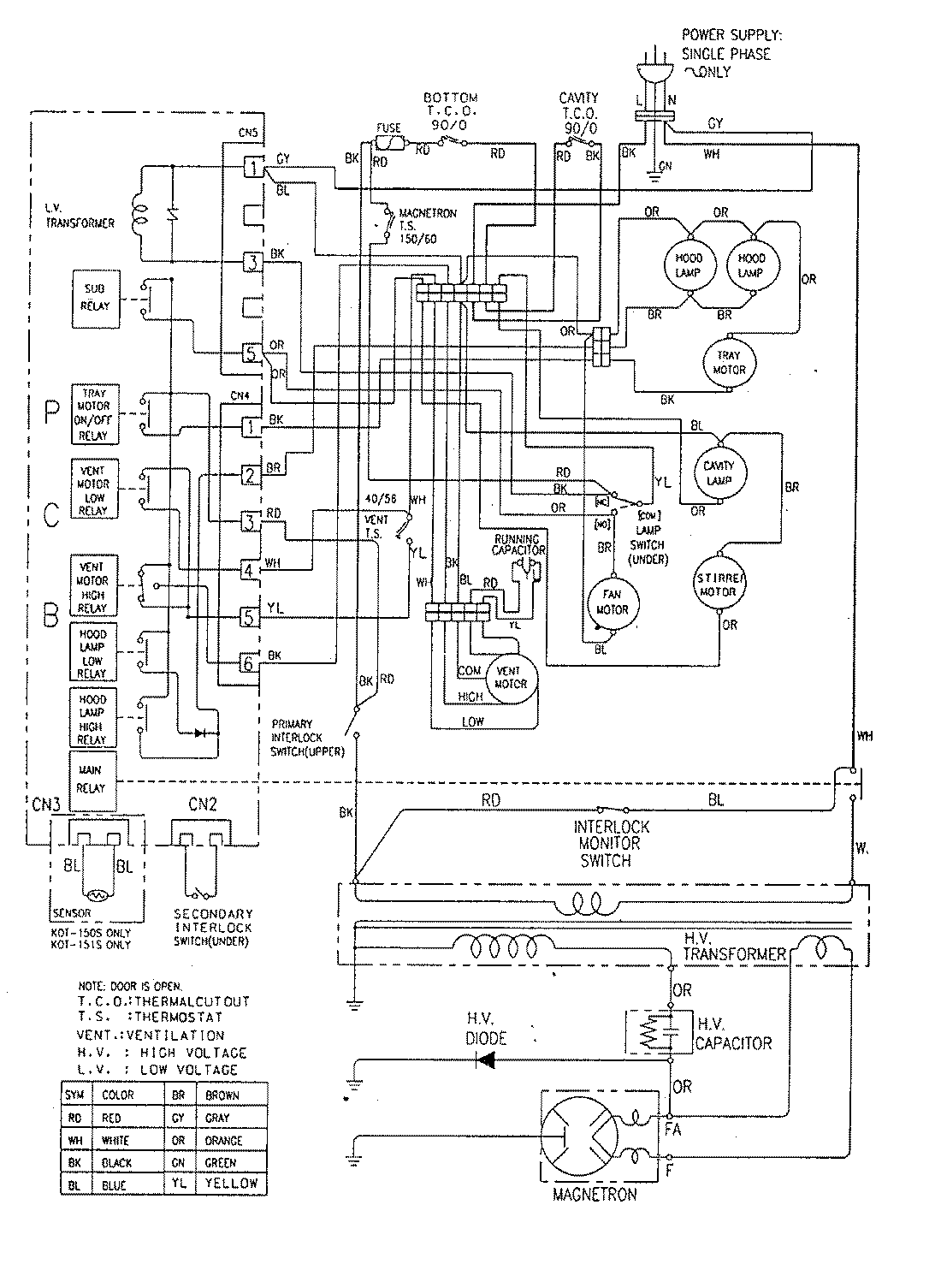
MMV5000BDW 06 – WIRING INFORMATIONadmin2025-04-26T12:17:24+00:00MMV5000BDW 06 – WIRING INFORMATION ProductsPositionProductNIMAY 15002670