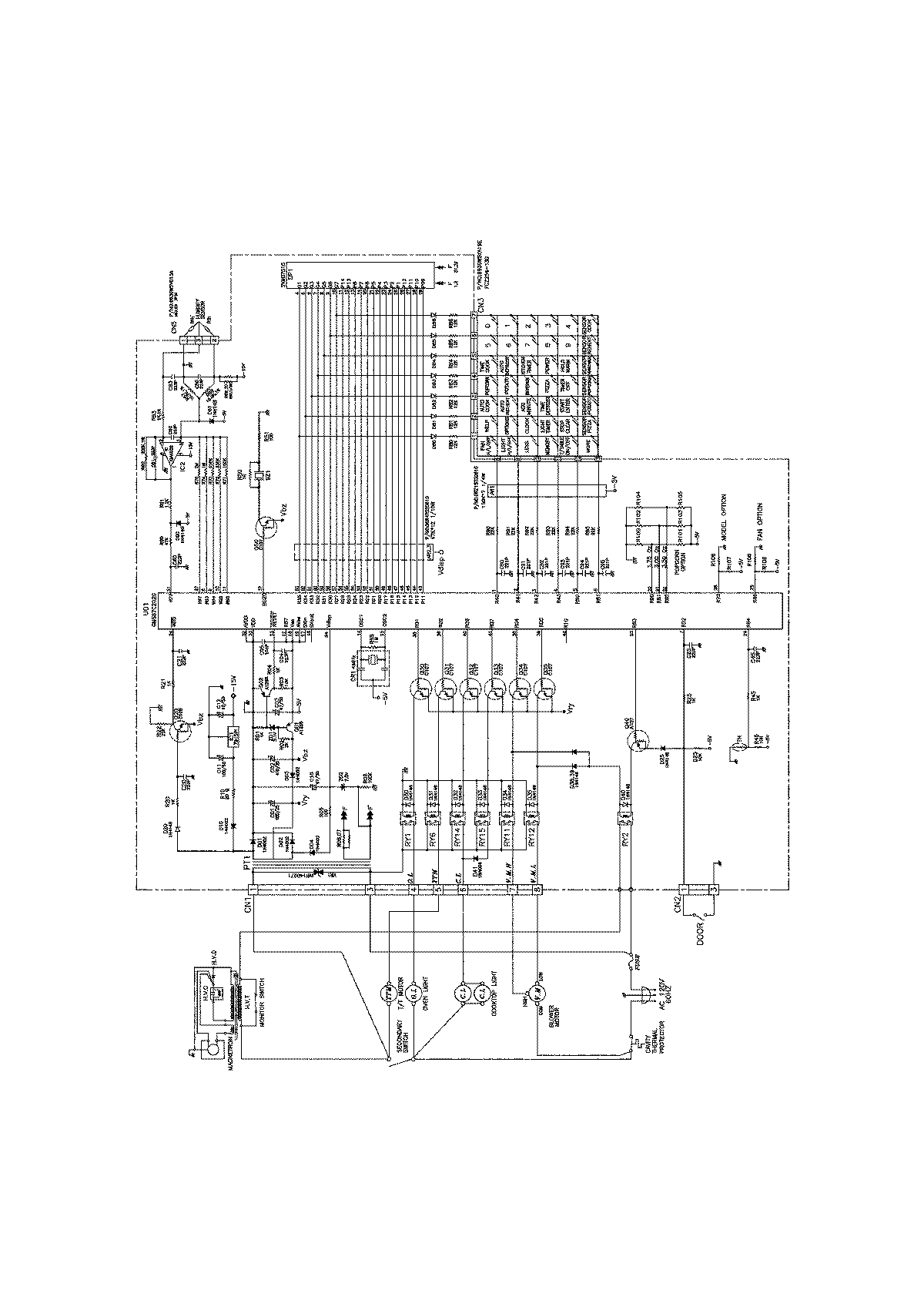
MMV5156AAB 07 – WIRING INFORMATIONadmin2025-04-26T12:18:37+00:00MMV5156AAB 07 – WIRING INFORMATION ProductsPositionProduct1MAY 15002997