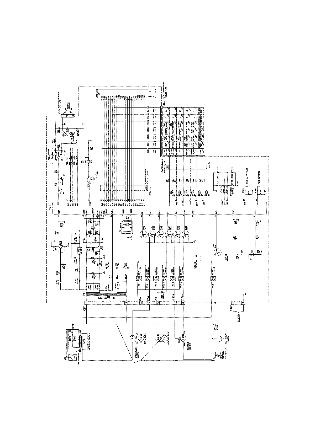
MMV5156AAQ 07 – WIRING INFORMATIONadmin2025-04-26T12:17:54+00:00MMV5156AAQ 07 – WIRING INFORMATION ProductsPositionProduct1MAY 15002997