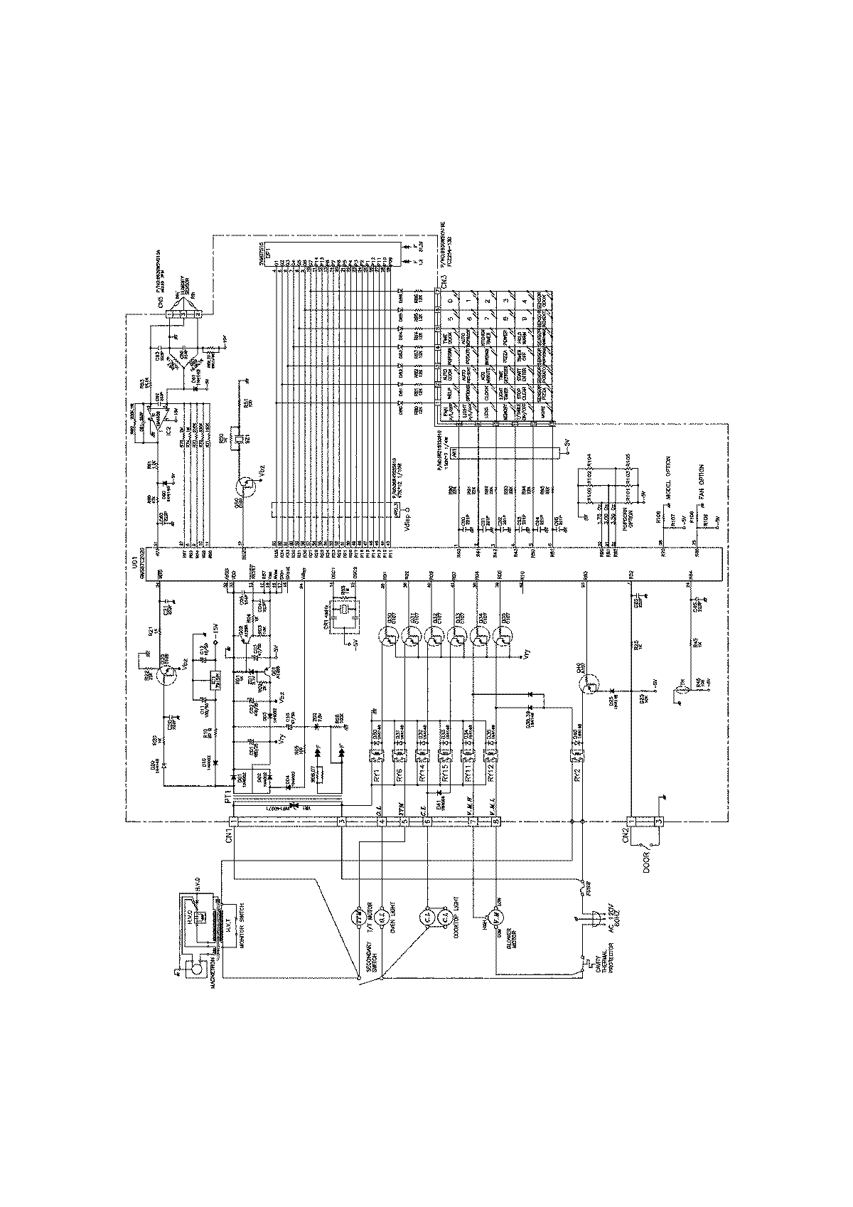
MMV5156AAS 07 – WIRING INFORMATIONadmin2025-04-26T12:16:59+00:00MMV5156AAS 07 – WIRING INFORMATION ProductsPositionProduct1MAY 15002997