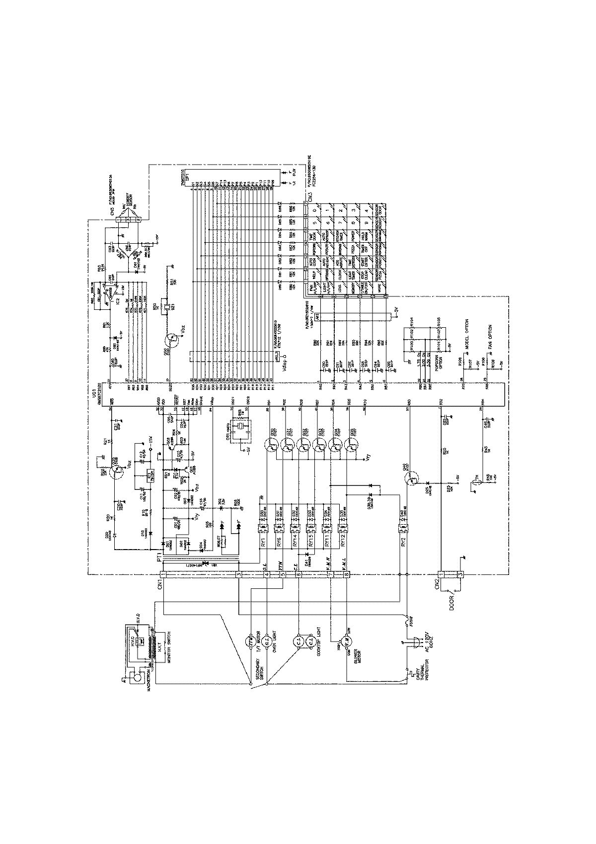
MMV5156AAW 07 – WIRING INFORMATIONadmin2025-04-26T11:33:58+00:00MMV5156AAW 07 – WIRING INFORMATION ProductsPositionProduct1MAY 15002997