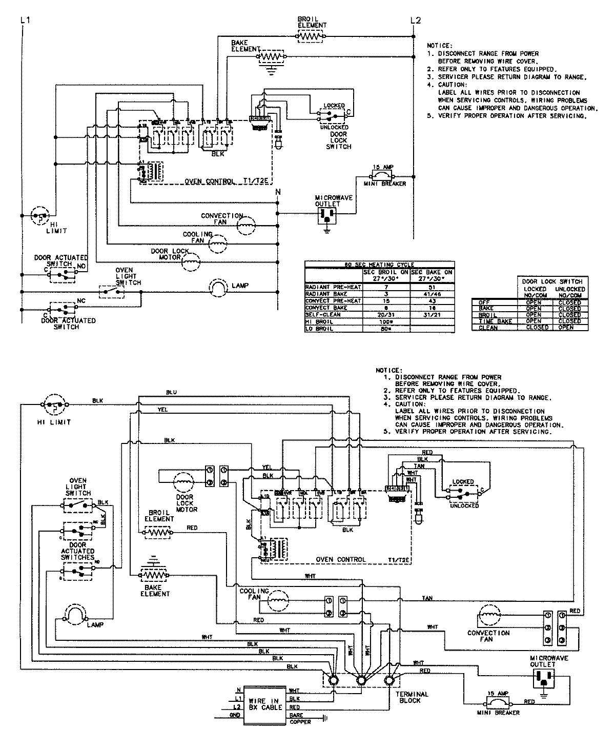
MMW5527BAB 08 – WIRING INFORMATIONadmin2025-04-26T12:18:06+00:00MMW5527BAB 08 – WIRING INFORMATION ProductsPositionProductNIMAY 15002627