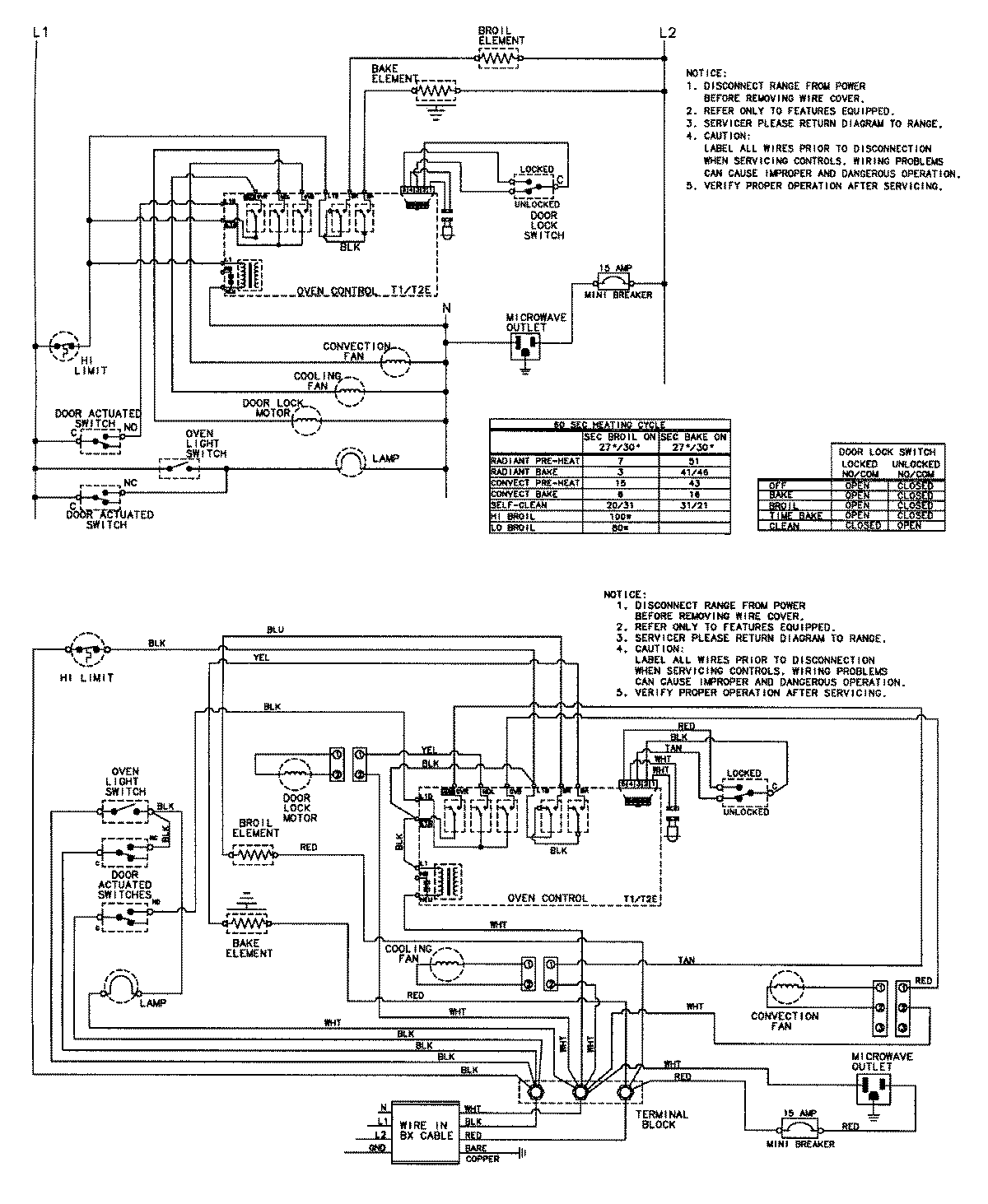
MMW5527CAW 08 – WIRING INFORMATIONadmin2025-04-26T12:18:20+00:00MMW5527CAW 08 – WIRING INFORMATION ProductsPositionProductNIMAY 15002627