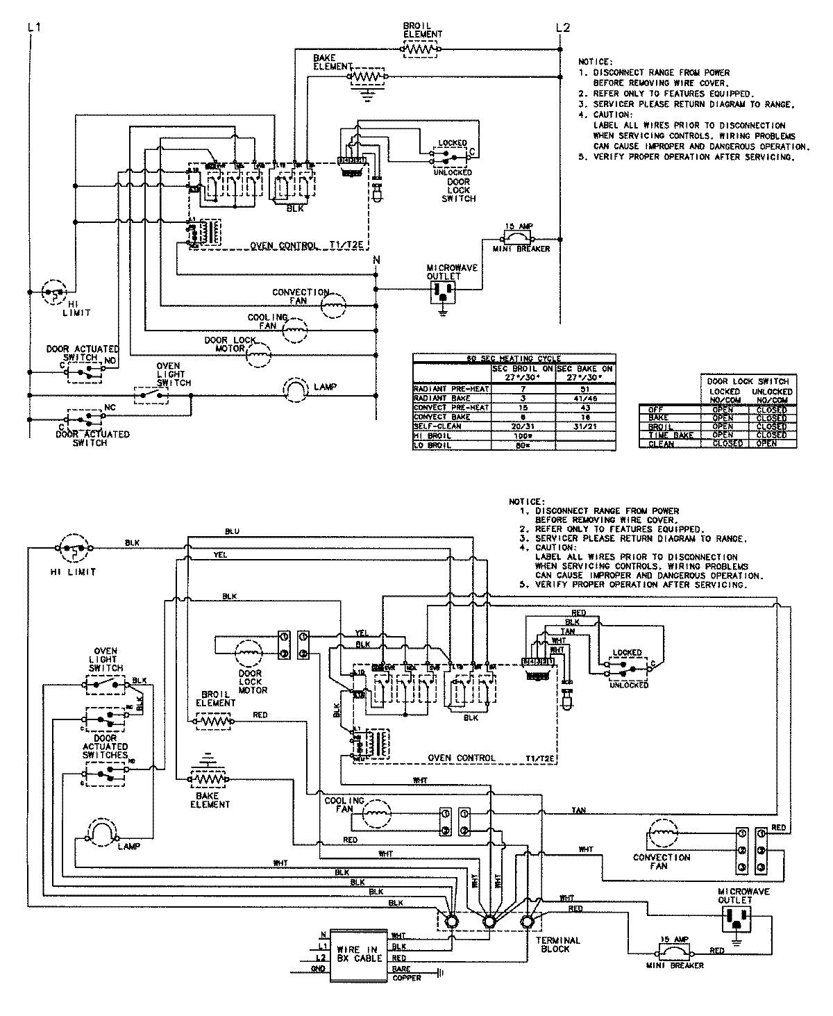
MMW5530BAB 08 – WIRING INFORMATIONadmin2025-04-26T12:18:54+00:00MMW5530BAB 08 – WIRING INFORMATION ProductsPositionProductNIMAY 15002627