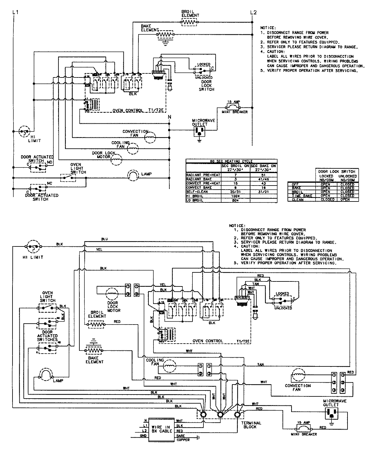
MMW5530BAW 06 – WIRING INFORMATIONadmin2025-04-26T12:18:59+00:00MMW5530BAW 06 – WIRING INFORMATION ProductsPositionProductNIMAY 15002627