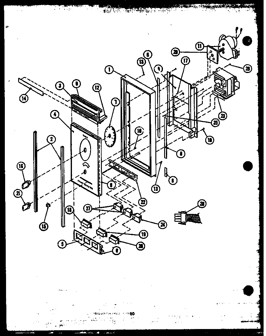
MPP227 01 – CONTROL PANEL PARTSadmin2025-04-26T12:20:34+00:00MPP227 01 – CONTROL PANEL PARTS ProductsPositionProductNIMAY Y00899541MAY Y899552MAY Y00899473MAY Y899484MAY Y00893805MAY Y899506MAY Y00903657MAY 00899518MAY 893819MAY Y008996710MAY Y009043111MAY 008935012MAY Y9056613MAY Y008995914MAY 8938215MAY 008983016MAY 008994617MAY Y008938318MAY Y8938419MAY 008938520MAY Y8938621MAY 008938722MAY 008938823MAY 8935624MAY 008936225MAY Y008938926MAY Y008902927MAY Y008935428MAY 8935929MAY Y0089390