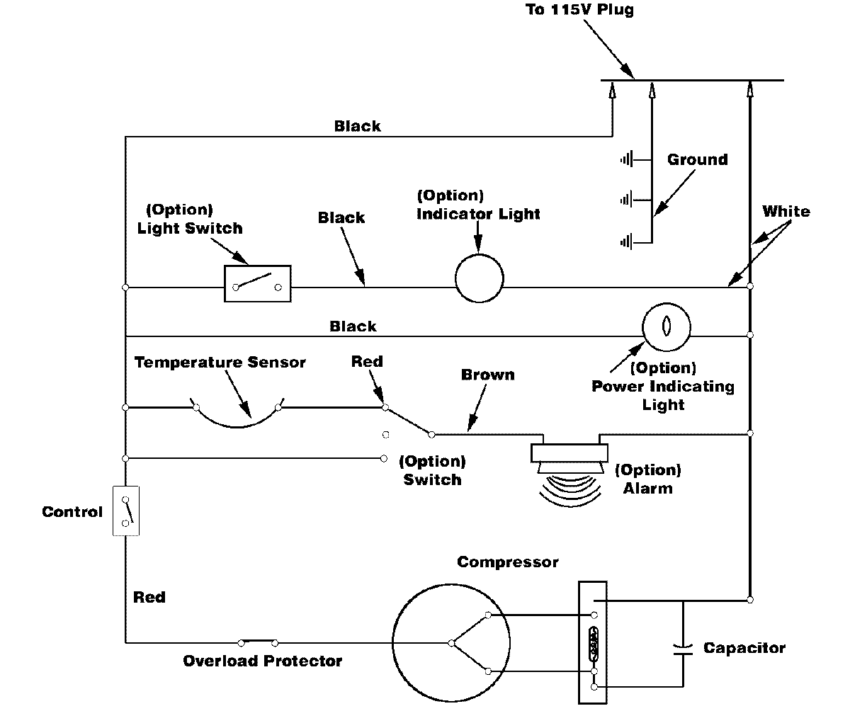
MQU2056ARW 05 – WIRING INFORMATIONadmin2025-04-26T12:19:51+00:00MQU2056ARW 05 – WIRING INFORMATION ProductsPositionProductNIMAY 15003319