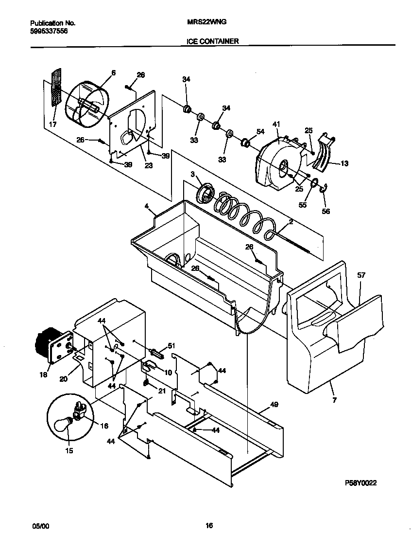
MRS22WNGD0 09 – ICE CONTAINERadmin2025-04-26T12:24:58+00:00MRS22WNGD0 09 – ICE CONTAINER ProductsPositionProduct*79286WCI 215781700*79285WCI 5304407107*79287WCI 2188428012241716101 Frigidaire Refrigerator Ice Auger3241685201 Frigidaire Refrigerator Drive Cam4241734001 Frigidaire Refrigerator Ice Bucket6241685101 Frigidaire Refrigerator Ice Dispenser Drum7241734201 Frigidaire Refrigerator Front Ice Container15316538904 Frigidaire Oven Lamp Light16241559801 Frigidaire Light Socket Refrigerator17241684503 Frigidaire Ice Crusher Blade18WCI 21881580220WCI 530440710621241726501 Frigidaire Refrigerator Drive Bar23241684001 Frigidaire Refrigerator Plate-Front25240555002 Frigidaire Refrigerator Screw #8-32 X 3/826215503203 Frigidaire Refrigerator Door Handle Screw33241684802 Frigidaire Refrigerator Spacer34241689802 Frigidaire Refrigerator Spacer39241690501 Frigidaire Refrigerator Screw41241885001 Frigidaire Refrigerator Ice Crusher Housing44WCI 21835920049WCI 530440432951WCI 530440433654241685001 Frigidaire Auger Nut55241690306 Frigidaire Refrigerator Washer56241690201 Frigidaire Refrigerator E-Ring57241734101 Frigidaire Refrigerator Front Access Door Ice Bin585304455651 Frigidaire Refrigerator Screw