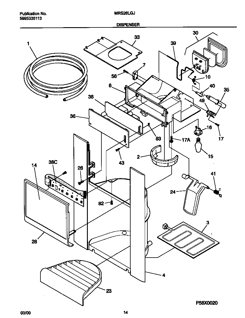
MRS26LGJB0 08 – ICE DISPENSERadmin2025-04-26T12:22:56+00:00MRS26LGJB0 08 – ICE DISPENSER ProductsPositionProduct*46039WCI 218949201*46042WCI 218432502*46038WCI 218832301*46041WCI 215781700*46040SHIELD-MICRO SWITCH (NOT ILLUSTRATED)15308010366 Frigidaire Refrigerator P1-Water Inlet Tube2WCI 2185053033WCI 2154843004WCI 2188524037WCI 2182848008WCI 21887490110WCI 21820980014WCI 21890373915WCI 21828490016240548901 Frigidaire Refrigerator P-1 Socket17WCI 21579440017BWASHER-FLAT17AWCI 21584070023WCI 530329966024WCI 21892130326215503203 Frigidaire Refrigerator Door Handle Screw28WCI 21889140330DOOR ASSY-ICE CHUTE, W/GASKET, INSUL33WCI 21887020135WCI 21874000436WCI 21889130138WCI 21888180138WCI 218906601395304401778 Frigidaire Refrigerator Ice Door Wire40WCI 21828450041WCI 21591780043WCI 21576030049WCI 21579400056WCI 21843430082WCI 21529630083FUSE,PC BOARD ,7 A ,125 V