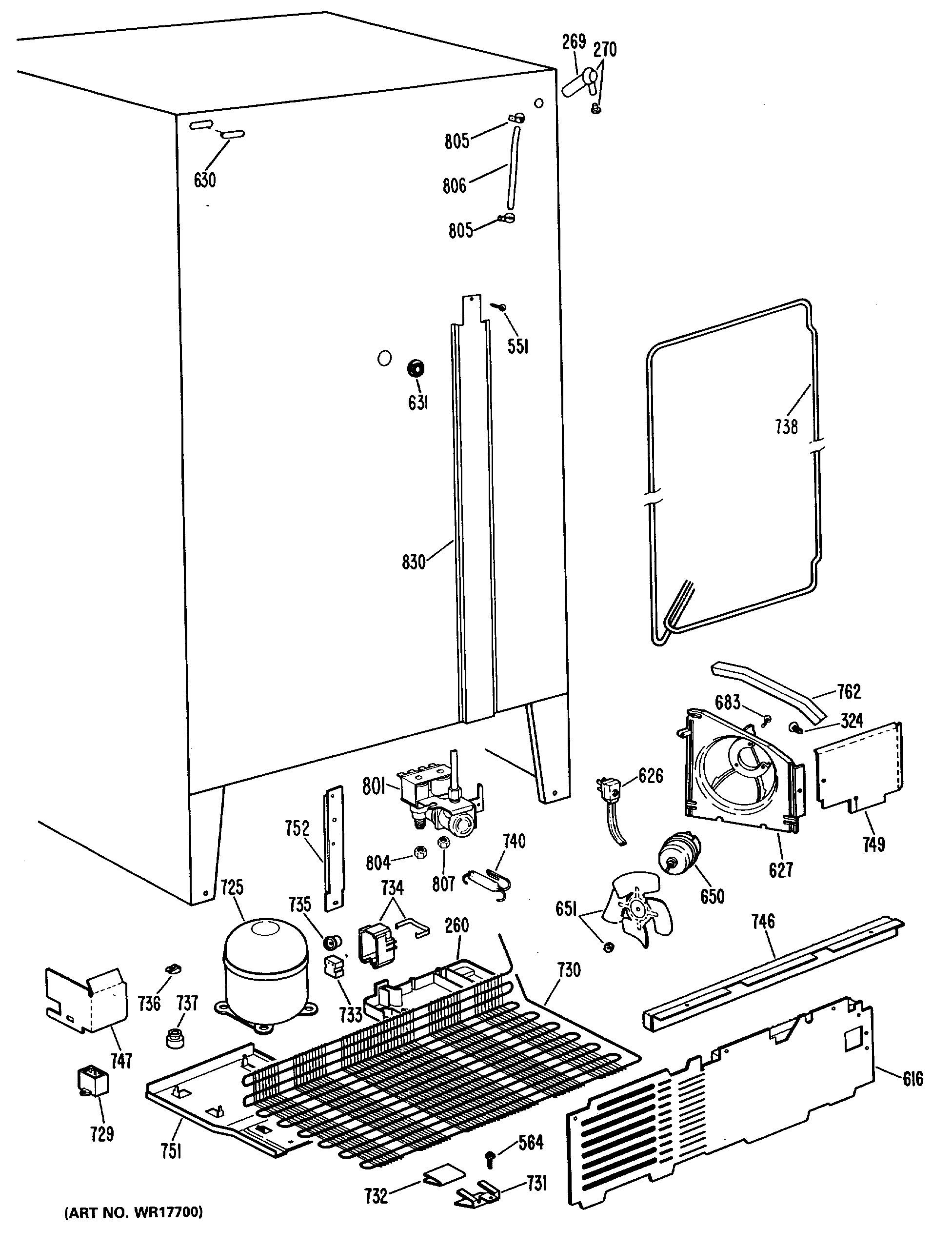
MRSC22DMD 3