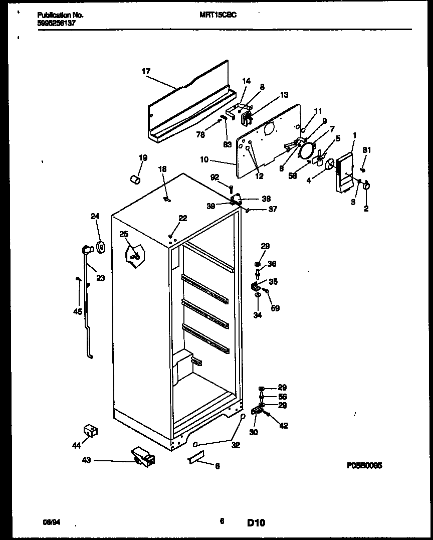
MRT15CBCZ0 04 – CABINET PARTSadmin2025-04-26T12:24:13+00:00MRT15CBCZ0 04 – CABINET PARTS ProductsPositionProduct*10492PLUG, BUTTON, CABINET LINER (NI)785304455651 Frigidaire Refrigerator Screw815304455650 Frigidaire Refrigerator Screw83WCI 530800010792241710601 Frigidaire Refrigerator Screw