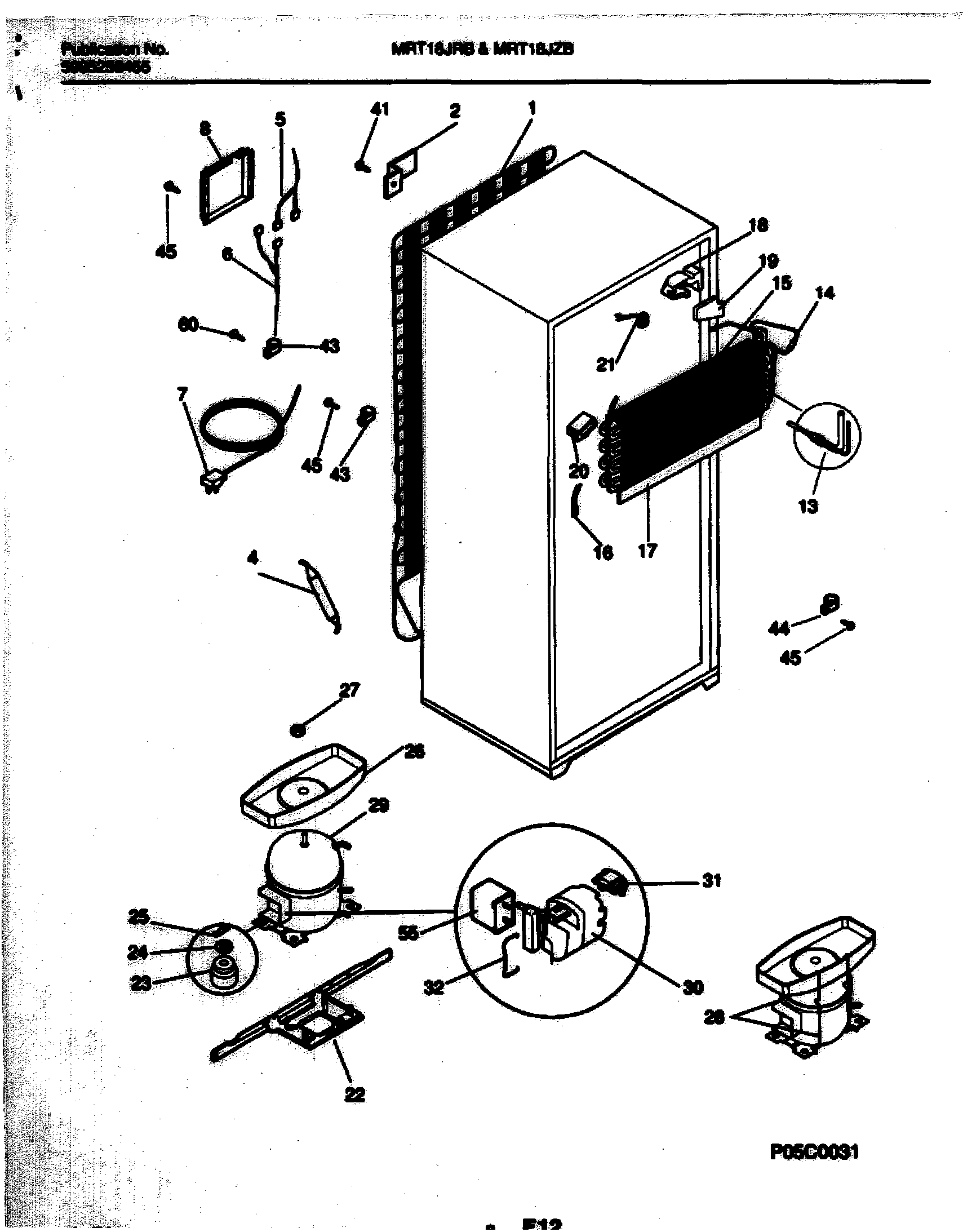
MRT18JRBY1 09 – SYSTEM