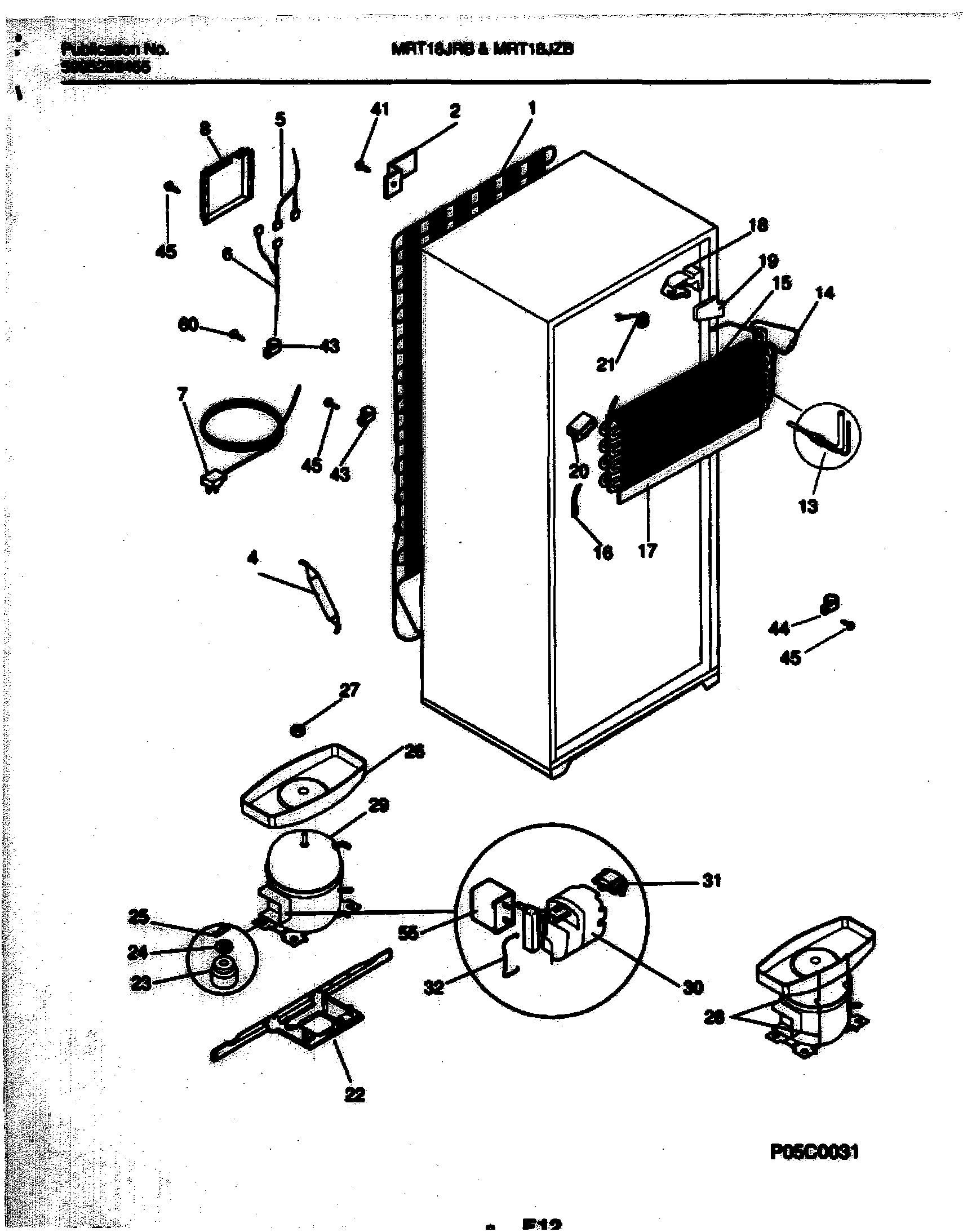
MRT18JZBD1 09 – SYSTEM