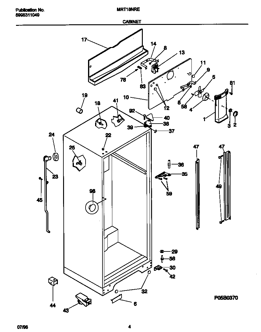
MRT18NREW4 03 – CABINET

MRT18NREW4 03 – CABINET

Products

PositionProduct
*83763TAPPING PLATE, LOWER HINGE, (2) (NI)
*83769WCI 5308011326
*83767BOLT-ROLLER ADJ, (2) (NON-ILLUSTRATED)
*83772PLUG, BUTTON, CABINET LINER (NI)
*83762NUT, ``U`` TYPE, NO. 8-15(A), FAN MOTOR MOUNT (NOT ILLUSTRATED)
*83768WCI 5308009790
*837655304500407 Frigidaire Refrigerator Shelf Mounting Grommet
*83766WCI 218703002
*837715303321319 Frigidaire Refrigerator White Touch Up Paint
*83764SHIM, LOWER HINGE (NI)
1WCI 218672501
2WCI 5303307351
3Nut,push-on
4WCI 218722200
55308000010 Frigidaire Refrigerator Evaporator Fan Blade
6WCI 218448301
8G187559 Frigidaire Refrigerator Bushing
9WCI 5303205118
10WCI 3206451
115303208309 Frigidaire Refrigerator Plug Hole
12AWCI 215079000
12BWCI 215079100
135300158289 Frigidaire Evaporator Fan Motor
14BRACKET-MOTOR MTG, REAR
17WCI 218725700
18SUPPORT - EVAP COVER, (2)
19TUBE-RUBBER
22215774901 Frigidaire Refrigerator Button Plug
23WCI 5303269702
24WCI 5303207353
25WCI 215774100
29WASHER, .34 X .62 X .05, NYLON
30WCI 3206136
32PLUG-BUTTON, WHITE, CABINET BASE
35BRACKET-CTR HINGE, LIGHT GREY
36218251300 Frigidaire Refrigerator Center Hinge Pin
37WCI 5303321081
38WCI 3206100
39SHIM - UPPER HINGE
40WCI 3206101
415304509705 Frigidaire Refrigerator Grommet
42241710601 Frigidaire Refrigerator Screw
43WCI 218724000
44ROLLER ASSY, METAL HOUSING, REAR, (2)
455304455651 Frigidaire Refrigerator Screw
47WCI 218233300
49218362501 Frigidaire Refrigerator Screw
565303001321 Frigidaire Refrigerator Lower Hinge Pin
59240442708 Frigidaire Refrigerator Screw-#10-32 X 3/4
815304455650 Frigidaire Refrigerator Screw
83WCI 5308000107
98215099701 Frigidaire Refrigerator Button Plug