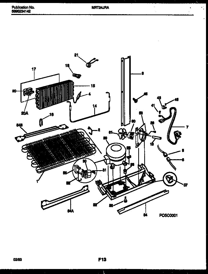
MRT24JRAYO 07 – SYSTEM AND AUTOMATIC DEFROST PARTSadmin2025-04-26T09:20:04+00:00MRT24JRAYO 07 – SYSTEM AND AUTOMATIC DEFROST PARTS ProductsPositionProduct*65838HOT TUBE REPAIR KIT, SERVICE1WCI 53032894871SPACER TUBE2WCI 530328902945303305677 Frigidaire Replacement Filter Dryer Filters5WCI 2154583006WCI 2155016007WCI 2154592018WCI 530328903314WCI 530329267115WCI 215379602165308000110 Frigidaire Refrigerator Evaporator/Heater Primary Strap17WCI 530329245718WCI 530329240719TUBE-RUBBER20WCI 530329240520WCI 5303292406215303917954 Frigidaire Refrigerator Defrost Limit Thermostat Kit22WCI 530328903023218513300 Frigidaire Refrigerator Compressor Mount Grommet25WCI 21501420029WCI 530391719230WCI 21600890031WCI 530327281932WCI 215012000415308000039 Frigidaire Refrigerator Screw435303001199 Frigidaire Refrigerator Wiring Harness Clamp455304455651 Frigidaire Refrigerator Screw455304455852 Frigidaire Refrigerator Screw54WCI 530328902754WCI 530328931154WCI 5303289292545304500008 Frigidaire Oven Screw555304464438 Frigidaire Compressor Run Capacitor56WCI 21501410057WCI 21507380058240555002 Frigidaire Refrigerator Screw #8-32 X 3/859SEAL-FOAM,COND FAN SHROUD59WCI 530328903160WCI 21550180061WCI 21500470061GROMMET, SILENCER (NOT ILLUSTRATED)61WCI 5303289032