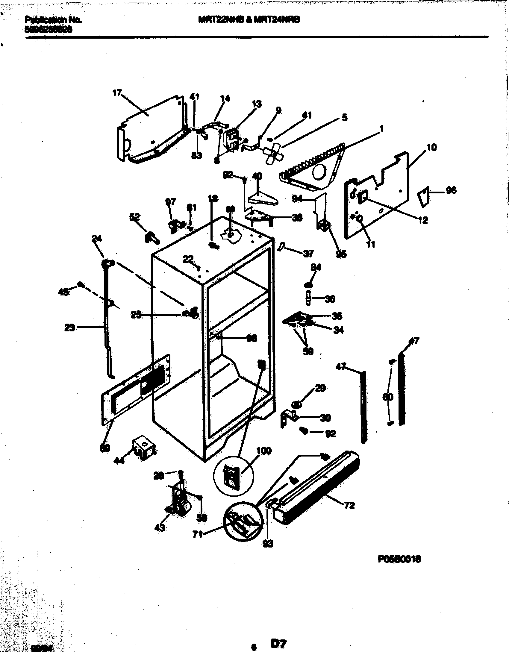
MRT24NRBY0 07 – CABINET

MRT24NRBY0 07 – CABINET