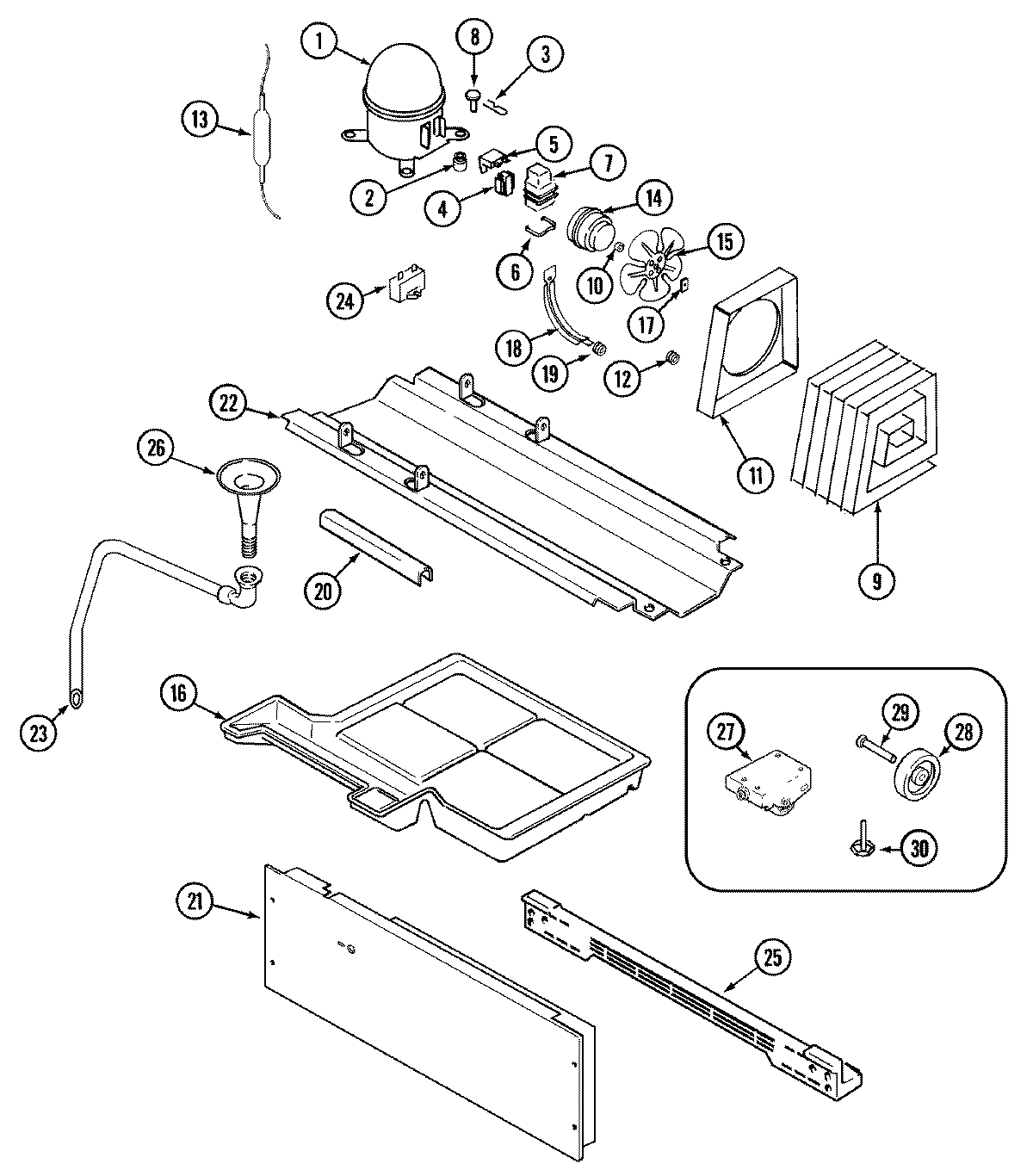
MSB2154ARW 01 – COMPRESSORadmin2025-04-26T13:05:55+00:00MSB2154ARW 01 – COMPRESSOR ProductsPositionProduct1MAY 120014861W10309995 Whirlpool Refrigerator Compressor1MAY 610022232MAY 17245-43MAY 610030994W10920279 Whirlpool Refrigerator Start Relay4WP10097204 Whirlpool Start Relay5WP61006295 Whirlpool Refrigerator Overload5MAY 610017856MAY 65886-17MAY 66589-17WP61002138 Whirlpool Refrigerator Terminal Cover8MAY 52656-29MAY 610031309MAY 6100437810MAY 6100168611MAY 6100194112MAY 6100203313WPW10143759 Whirlpool Dryer Filter14MAY 6100156214MAY 65275-3315MAY 60683-116MAY 6100264917WP486692 Whirlpool Refrigerator Nut18MAY 69181-119MAY 56933-120MAY 6100197421MAY 65275-521MAY 65275-5021MAY 6100313122WP67006715 Whirlpool Refrigerator Screw22MAY 6100313223MAY 53516-923MAY 6100313324MAY 6100213724WP65889-4 Whirlpool Refrigerator Capacitor25MAY 6100426126MAY 6100475127MAY 6100206627WP489478 Whirlpool Refrigerator Screw27SCREW28WP61003826 Whirlpool Wheel29WP61002104 Whirlpool Refrigerator Pin Wheel30MAY 6100201431MAY 1600954532MAY 16009103