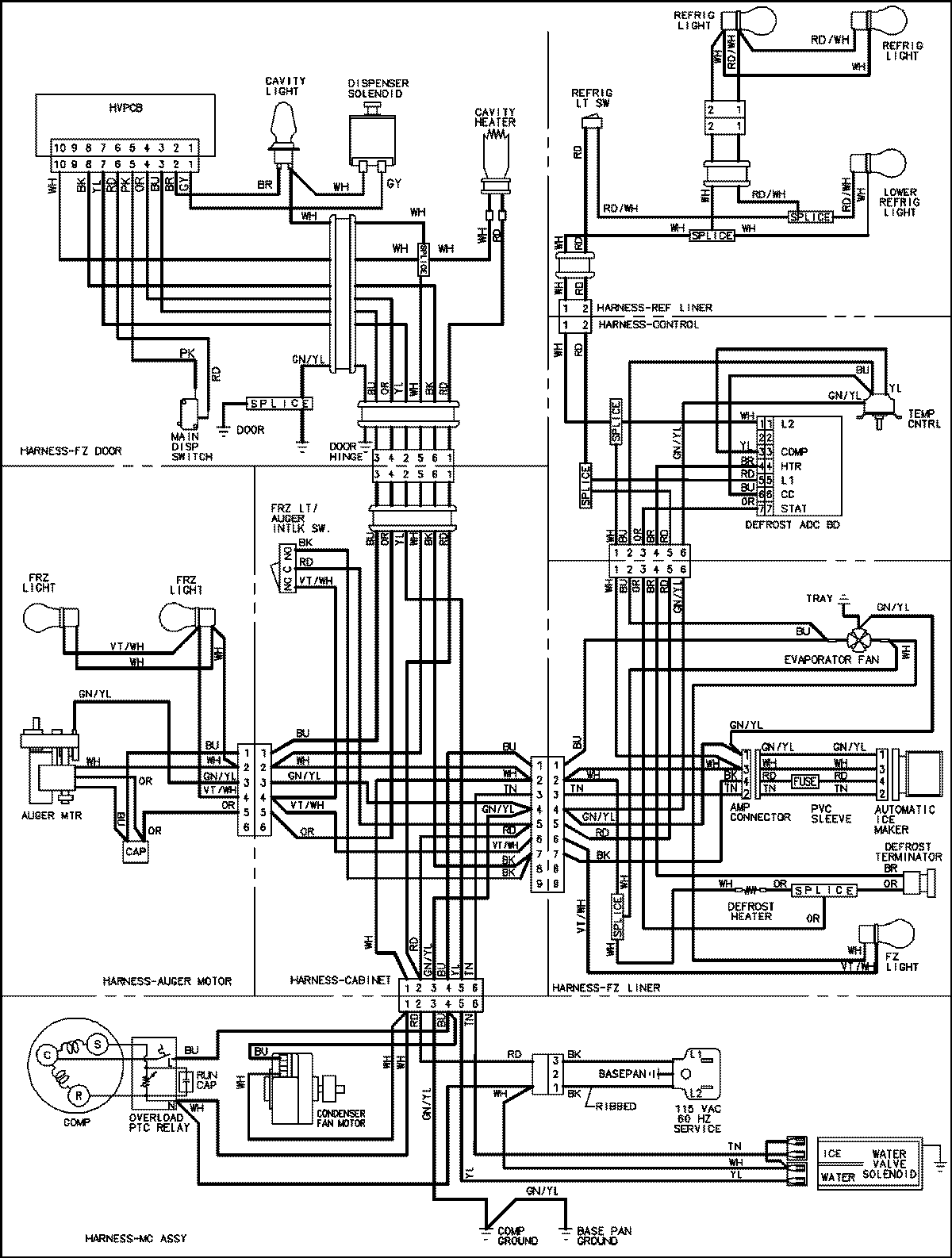
MSD2351HES 18 – WIRING INFORMATIONadmin2025-04-26T13:11:00+00:00MSD2351HES 18 – WIRING INFORMATION ProductsPositionProductNIMAY 15003523