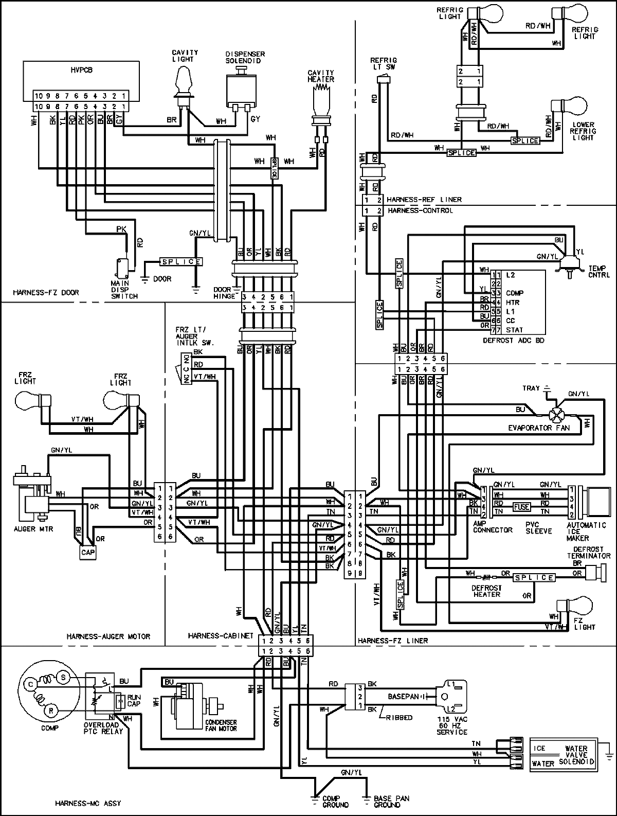
MSD2351HEW 18 – WIRING INFORMATIONadmin2025-04-26T11:33:15+00:00MSD2351HEW 18 – WIRING INFORMATION ProductsPositionProductNIMAY 15003523