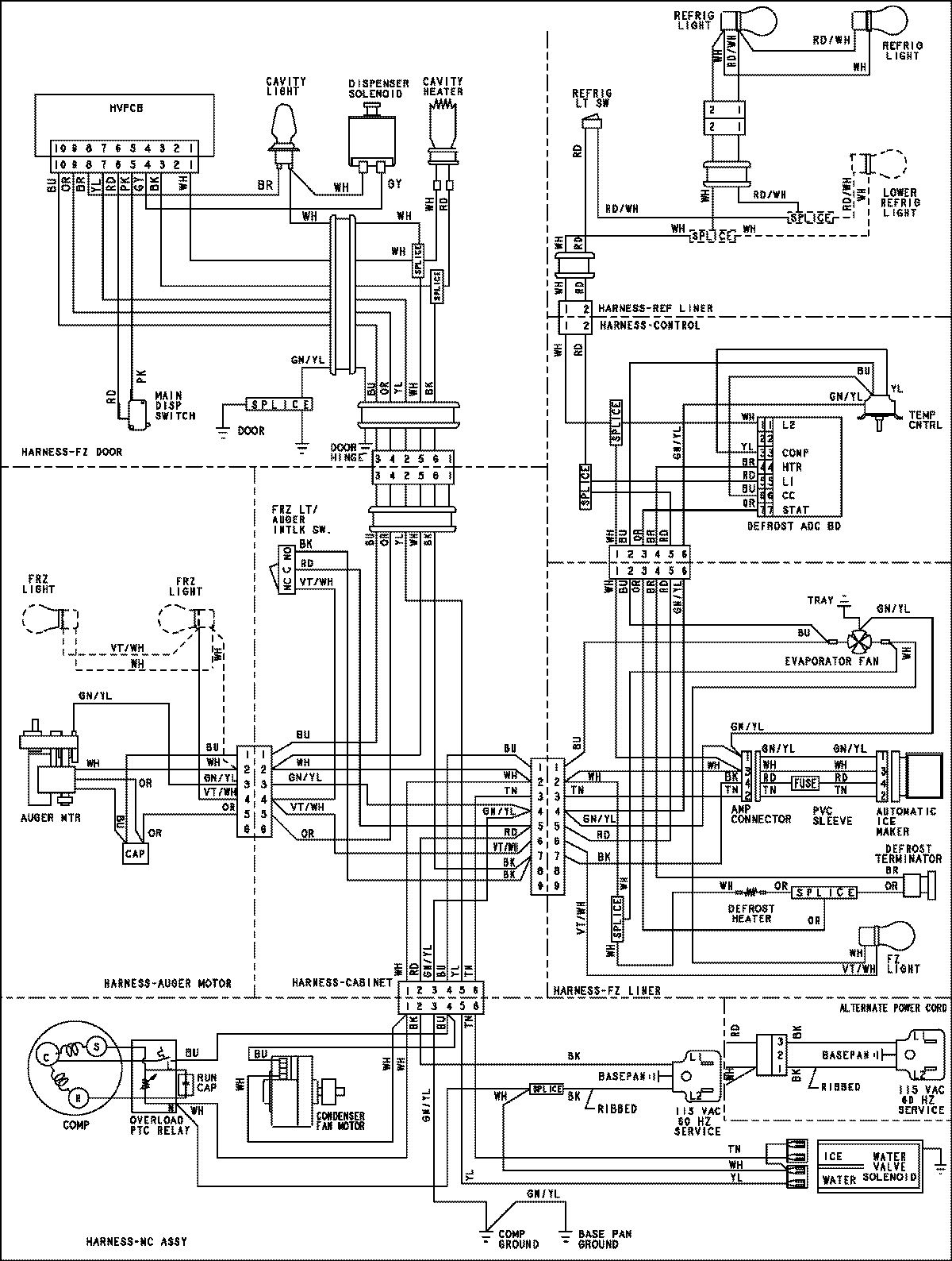
MSD2351KES 18 – WIRING INFORMATIONadmin2025-04-26T13:08:26+00:00MSD2351KES 18 – WIRING INFORMATION ProductsPositionProductNIMAY 15003928