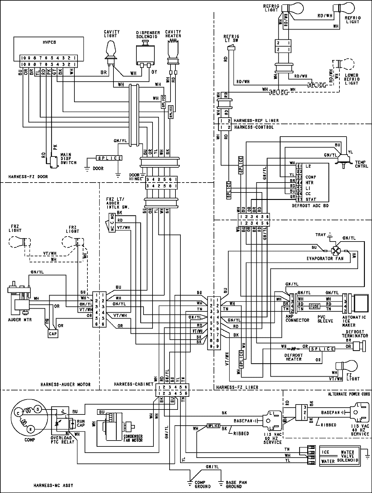
MSD2352KEB 18 – WIRING INFORMATIONadmin2025-04-26T13:09:16+00:00MSD2352KEB 18 – WIRING INFORMATION ProductsPositionProductNIMAY 15003928