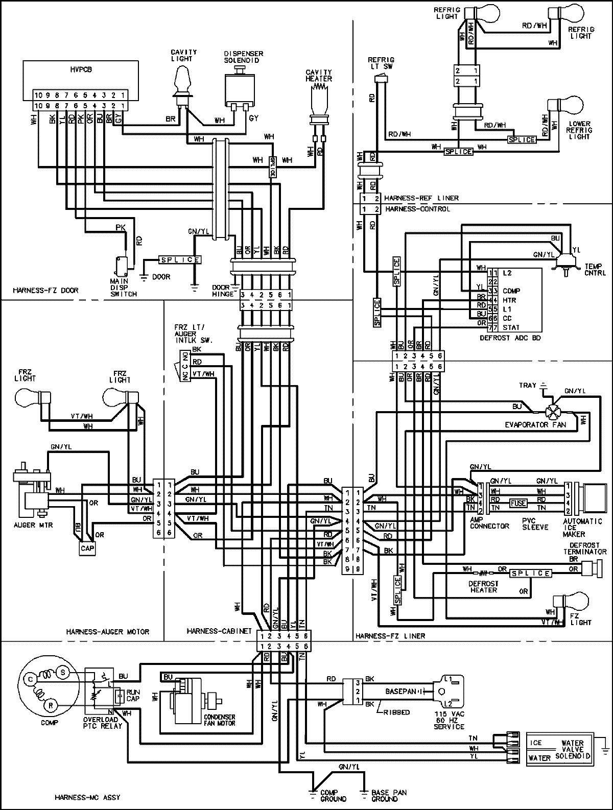
MSD2355HES 18 – WIRING INFORMATIONadmin2025-04-26T13:08:39+00:00MSD2355HES 18 – WIRING INFORMATION ProductsPositionProductNIMAY 15003523