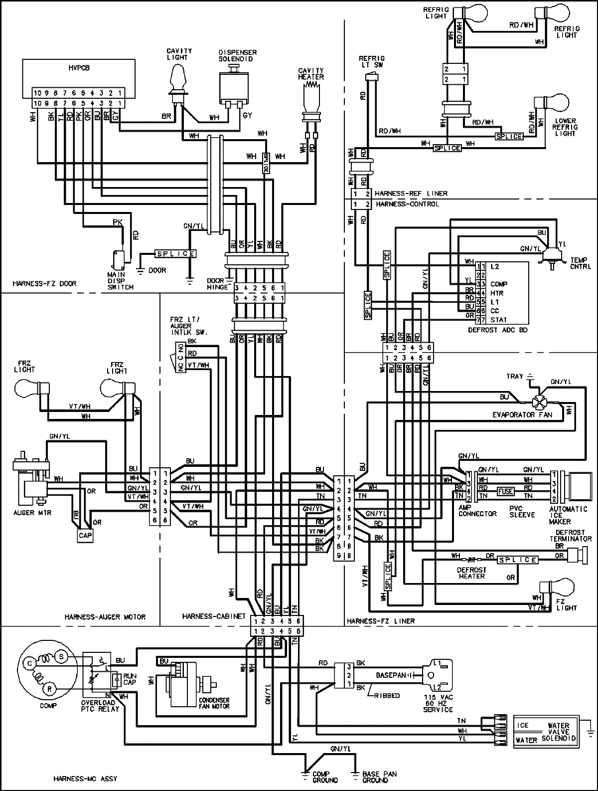
MSD2355HEW 18 – WIRING INFORMATIONadmin2025-04-26T11:35:30+00:00MSD2355HEW 18 – WIRING INFORMATION ProductsPositionProductNIMAY 15003523