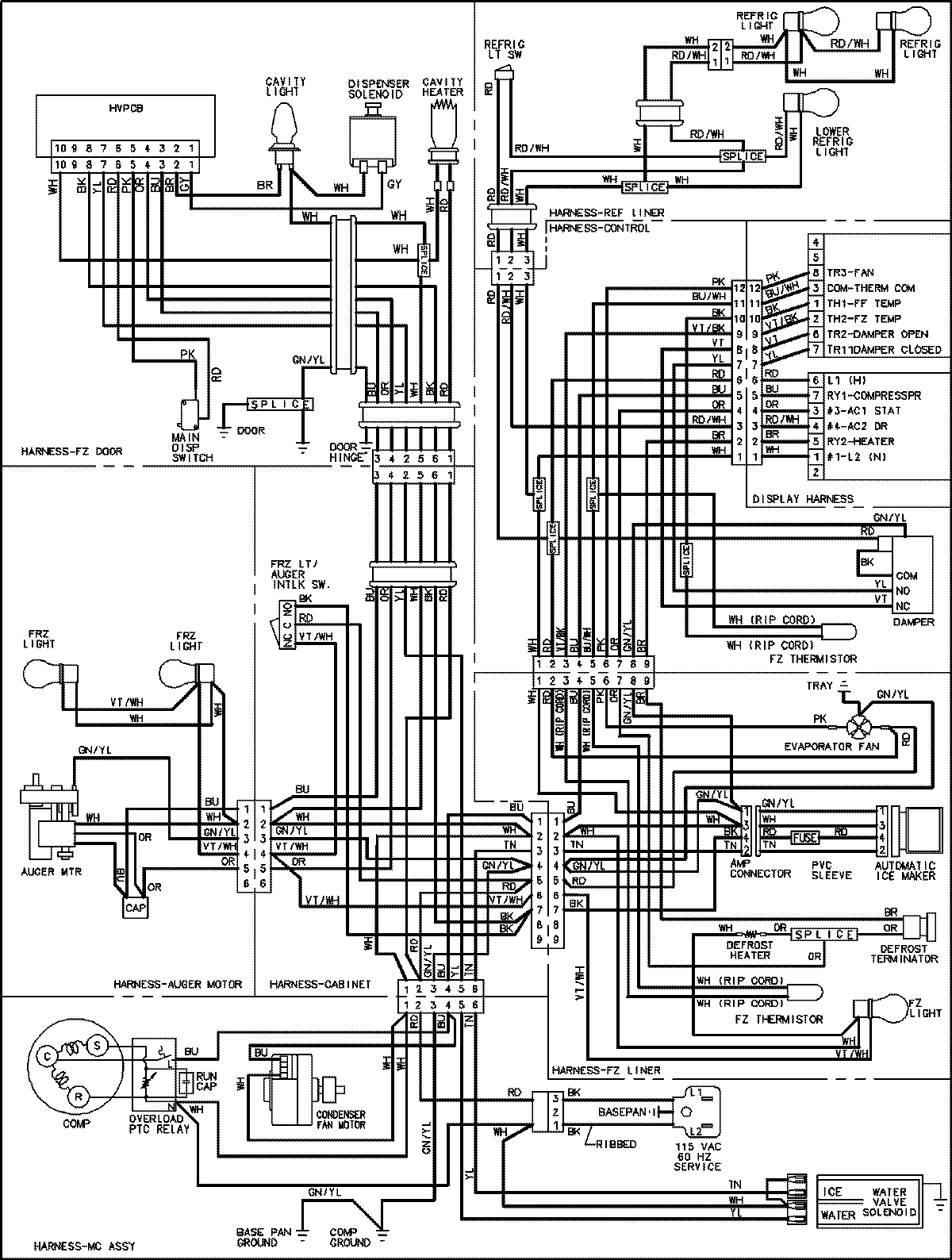
MSD2357HEB 18 – WIRING INFORMATIONadmin2025-04-26T11:35:26+00:00MSD2357HEB 18 – WIRING INFORMATION ProductsPositionProductNIMAY 15003598